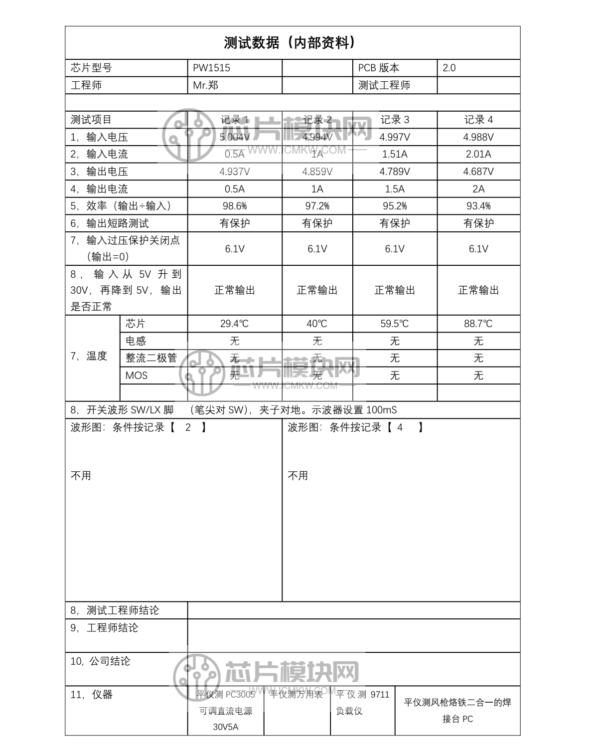
PW1515芯片测试数据

2023-08-16 17:03:00
ICMKW
原创
598
摘要:PW1515芯片测试数据
发表评论
评论通过审核后显示。
页尾说明