登录
注册
积分充值
简
繁
En
首页
芯片数据手册
芯片技术论坛
芯片应用
芯片模块商城
当前位置:
首页
demo
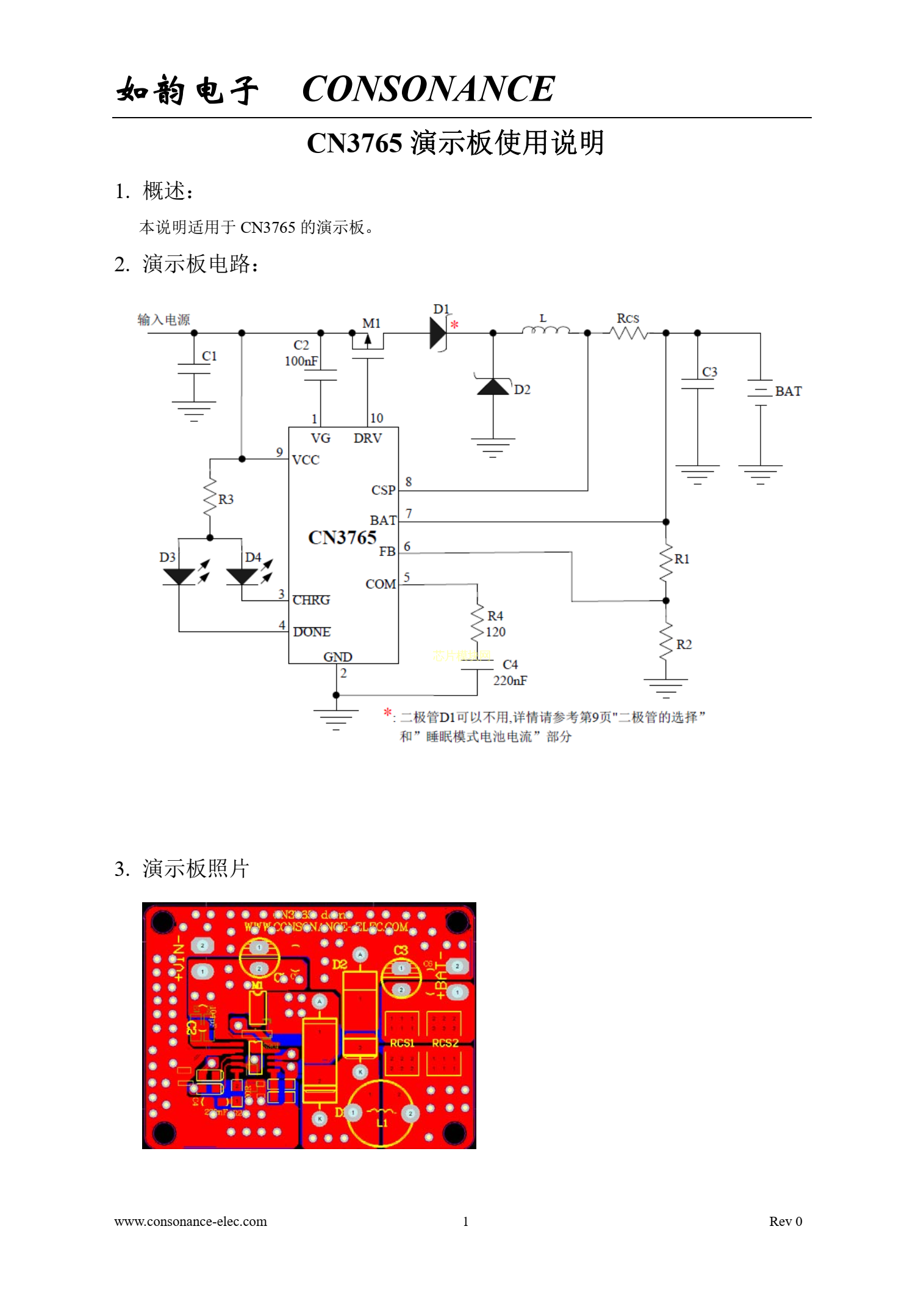
CN3765原厂DEMO板,PCB设计文件下载
CN3765原厂DEMO板,PCB设计文件下载
2022-10-29 13:26:00
晓红
原创
850
CN3765.zip
0
点击下载文件( 10 积分)
发表评论
称呼
邮箱
接收邮件提醒
内容
评论通过审核后显示。
页尾说明
移动访问