登錄
註冊
積分充值
简
繁
En
首頁
芯片數據手冊
芯片技術論罎
芯片應用
芯片模塊商城
當前位置:
首頁
規格書
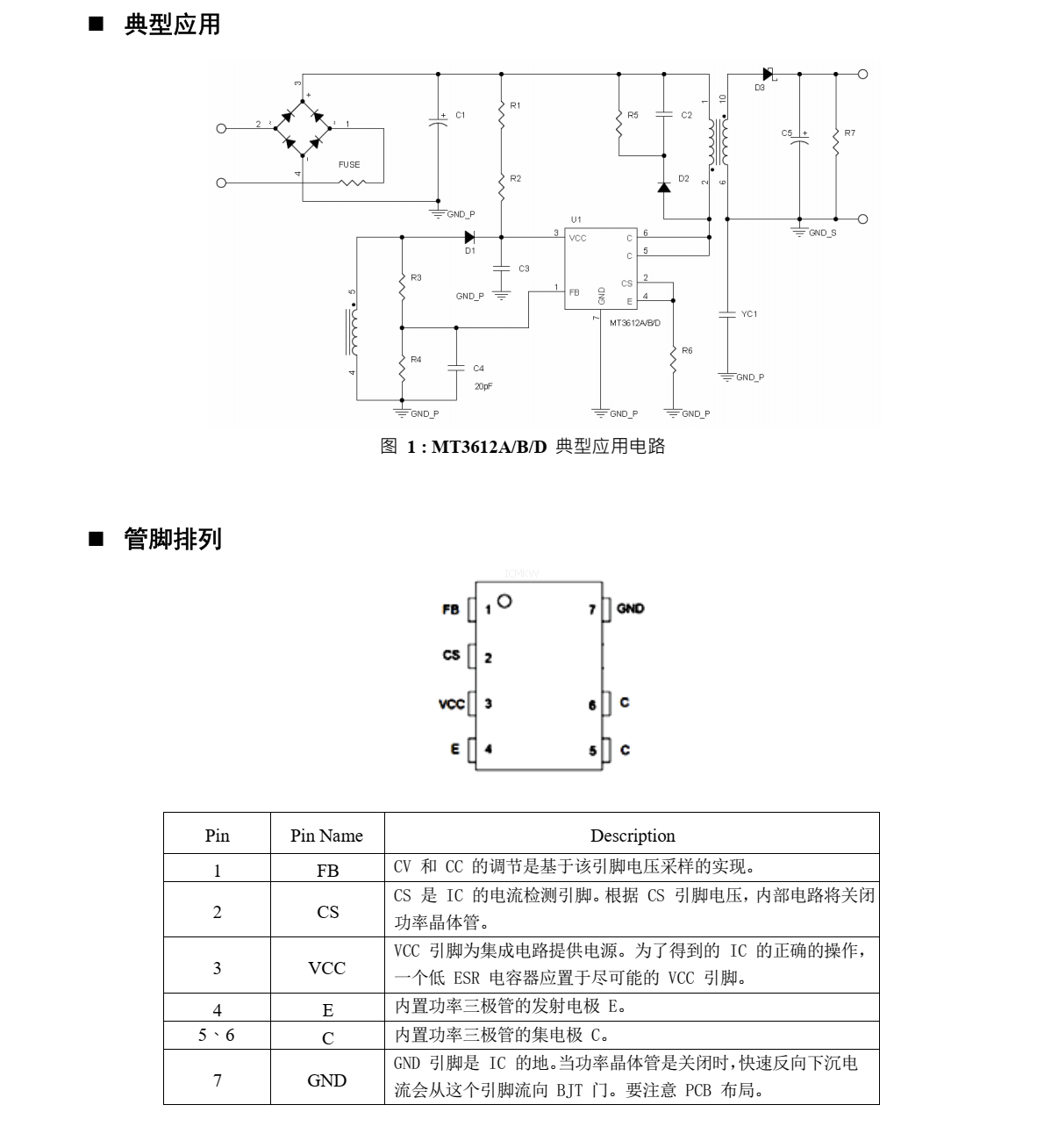
MT3612A,低功耗原邊控製電路芯片PDF規格書下載
MT3612A,低功耗原邊控製電路芯片PDF規格書下載
2023-07-03 10:05:00
ICMKW
原創
3241
MT3612A.pdf
627
發錶評論
稱呼
郵箱
接收郵件提醒
內容
評論通過審核後顯示。
頁尾説明
移動訪問