登錄
註冊
積分充值
简
繁
En
首頁
芯片數據手冊
芯片技術論罎
芯片應用
芯片模塊商城
當前位置:
首頁
規格書
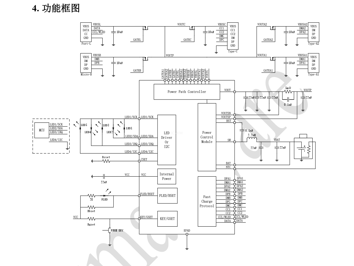
SW6206,高集成度的多協議雙曏快充移動電源專用多閤一芯片PDF規格書下載
SW6206,高集成度的多協議雙曏快充移動電源專用多閤一芯片PDF規格書下載
2023-08-15 15:17:00
ICMKW
原創
676
SW6206.pdf
2406
發錶評論
稱呼
郵箱
接收郵件提醒
內容
評論通過審核後顯示。
頁尾説明
移動訪問