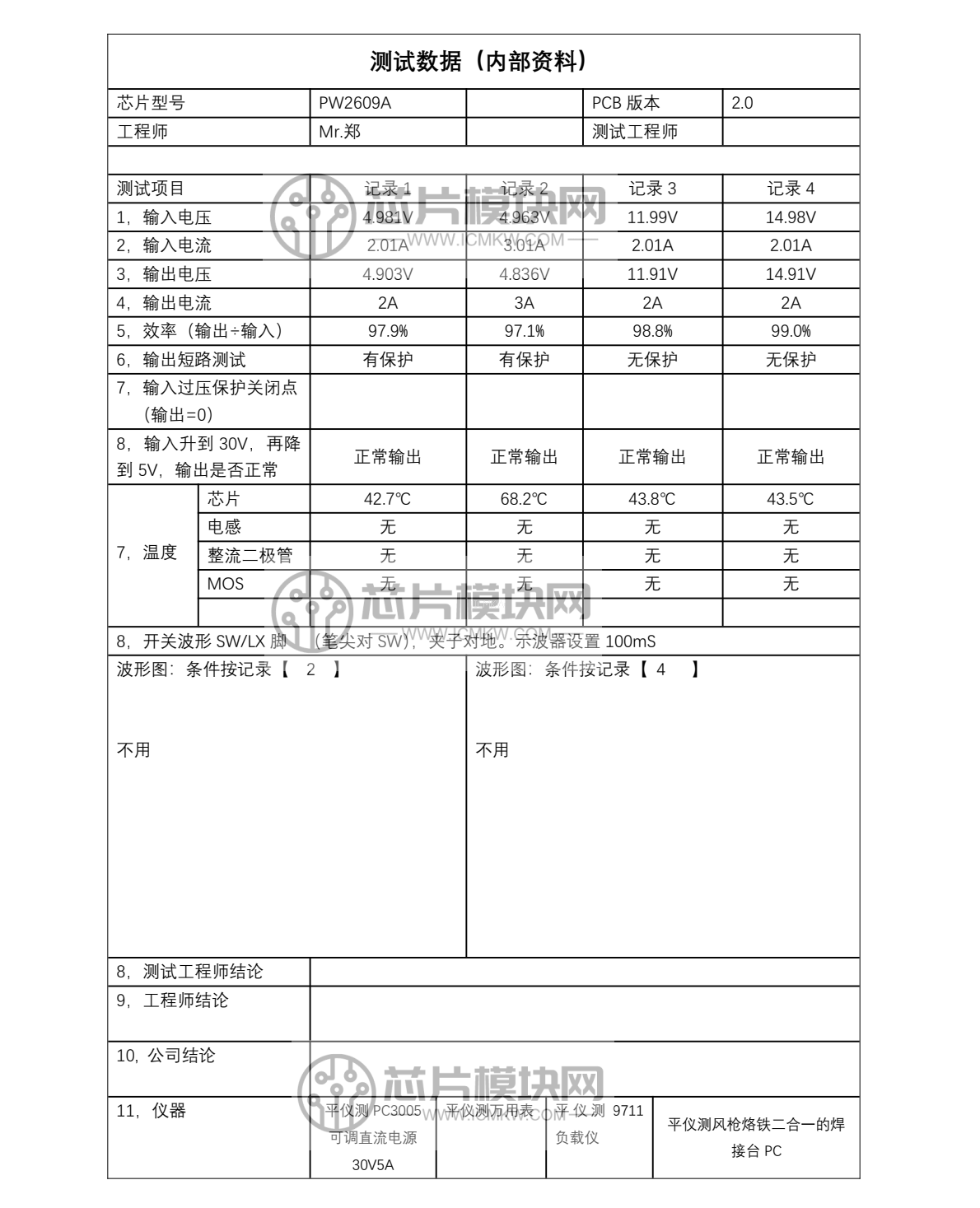
PW2609A芯片測試數據

2023-08-16 17:17:00
ICMKW
原創
635
摘要:PW2609A芯片測試數據
發錶評論
評論通過審核後顯示。
頁尾説明