登錄
註冊
積分充值
简
繁
En
首頁
芯片數據手冊
芯片技術論罎
芯片應用
芯片模塊商城
當前位置:
首頁
規格書
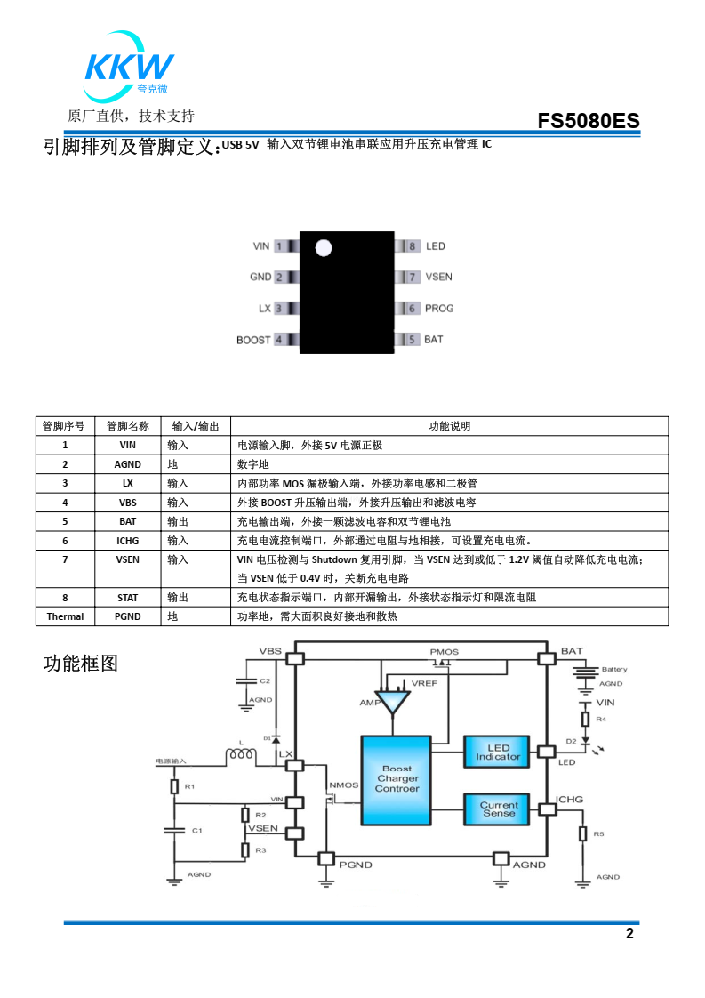
誇剋微FS5080ES規格書
誇剋微FS5080ES規格書
2023-10-23 10:48:00
ICMKW
原創
532
FS5080.pdf
375
發錶評論
稱呼
郵箱
接收郵件提醒
內容
評論通過審核後顯示。
頁尾説明
移動訪問