登錄
註冊
積分充值
简
繁
En
首頁
芯片數據手冊
芯片技術論罎
芯片應用
芯片模塊商城
當前位置:
首頁
規格書
CS8122S PDF規格書,中英文下載
CS8122S PDF規格書,中英文下載
2022-10-20 11:16:00
曉紅
原創
274
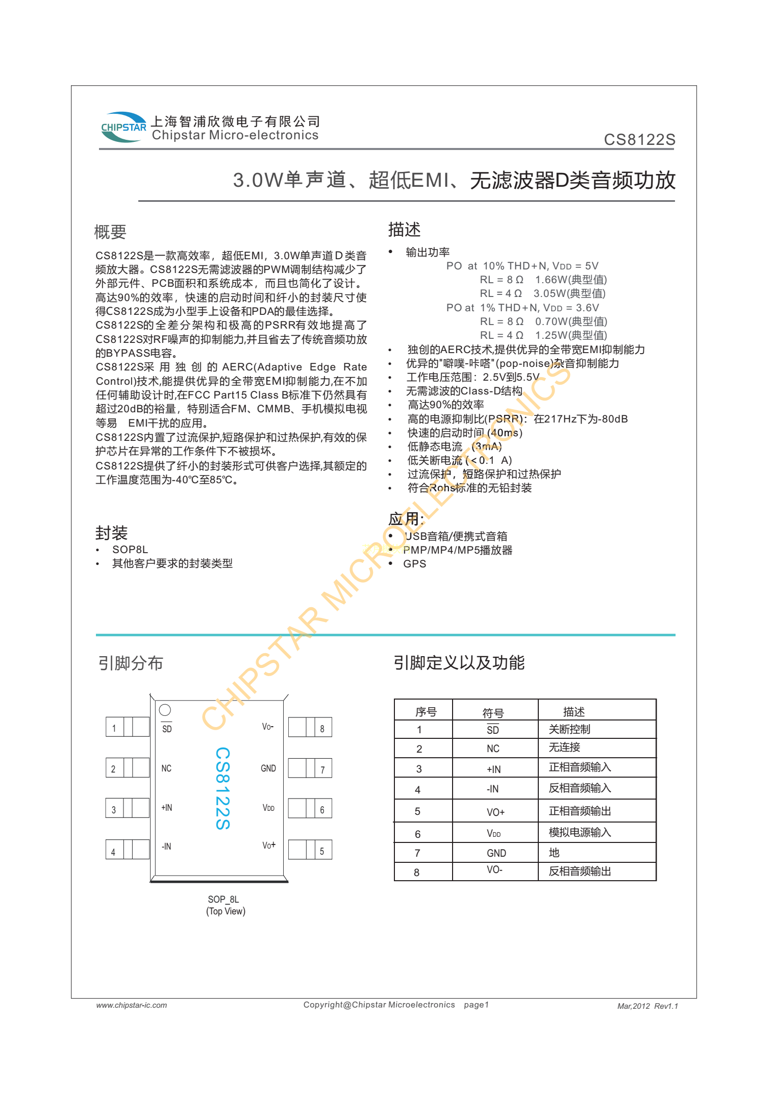
CS8122S.pdf
149
發錶評論
稱呼
郵箱
接收郵件提醒
內容
評論通過審核後顯示。
頁尾説明
移動訪問