登錄
註冊
積分充值
简
繁
En
首頁
芯片數據手冊
芯片技術論罎
芯片應用
芯片模塊商城
當前位置:
首頁
規格書
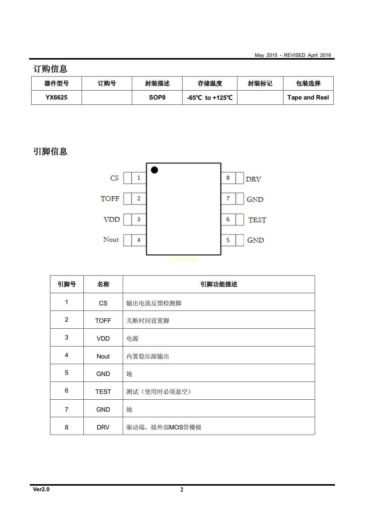
YX6625 PDF規格書,中英文下載
YX6625 PDF規格書,中英文下載
2022-11-19 10:13:00
楊工
原創
535
YX6625.pdf
408
發錶評論
稱呼
郵箱
接收郵件提醒
內容
評論通過審核後顯示。
頁尾説明
移動訪問