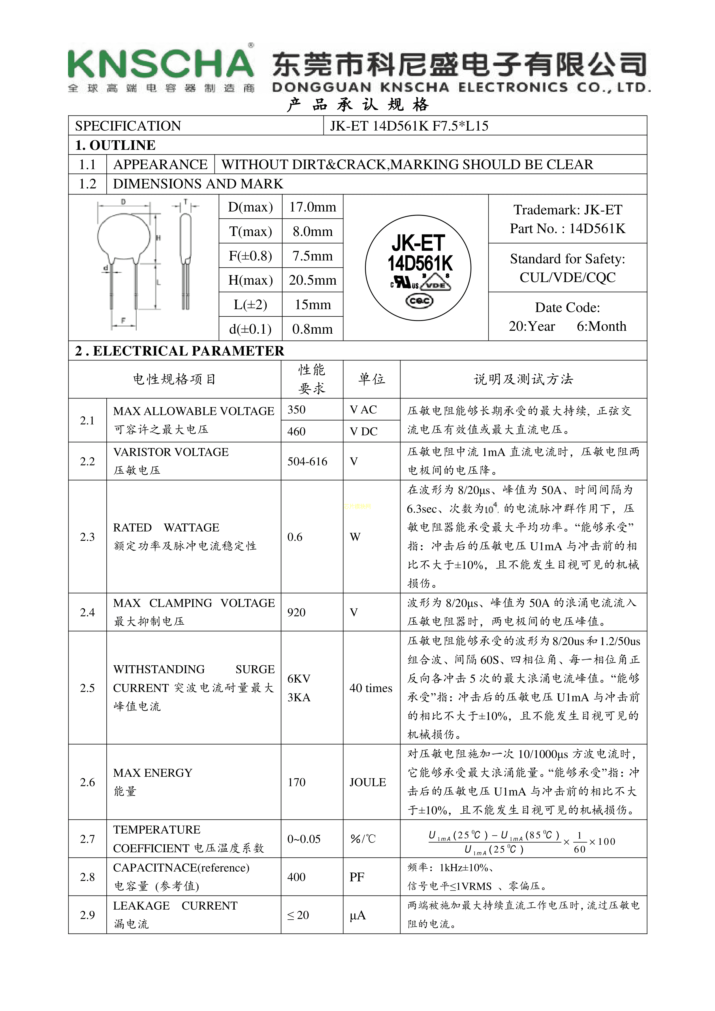
14D561K68RV0007数据手册径向引线P7.5mm封装KNSCHA(科尼盛)PDF规格书,中英文下载
- 2022-08-20 16:54:00
- zxj 原创
- 56
发表评论
页尾说明
|
移动访问
|