2F.2000212000ZHGMB02数据手册轴向引线封装xcfuse(旭程)PDF规格书,中英文
- 2022-07-30 16:52:00
- zxj 原创
- 45
发表评论
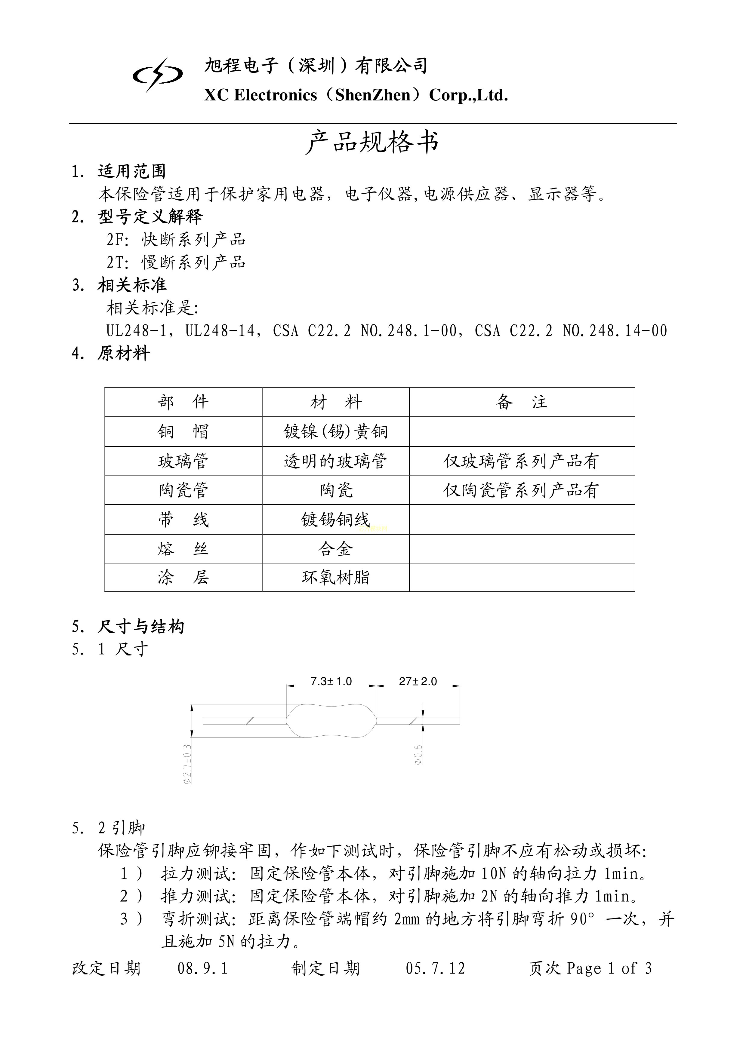
页尾说明
|
移动访问
|