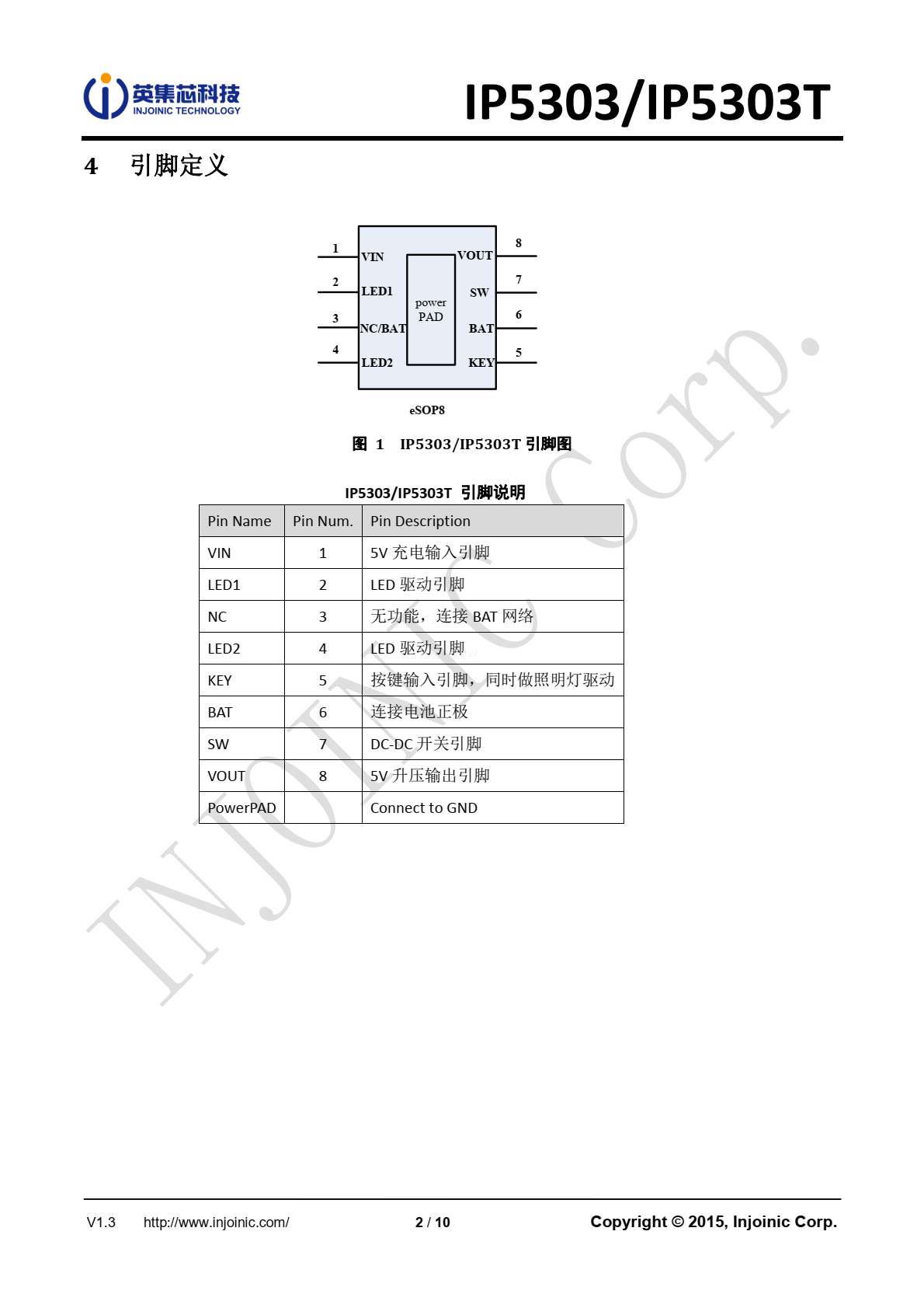
IP5303/IP5303T的区别和完整规格书下载

2023-03-24 00:35:00
ICMKW
原创
712
摘要:IP5303/IP5303T的规格书和IC区别,T可以调充电电压
发表评论
评论通过审核后显示。
页尾说明