登录
注册
积分充值
简
繁
En
首页
芯片数据手册
芯片技术论坛
芯片应用
芯片模块商城
当前位置:
首页
规格书
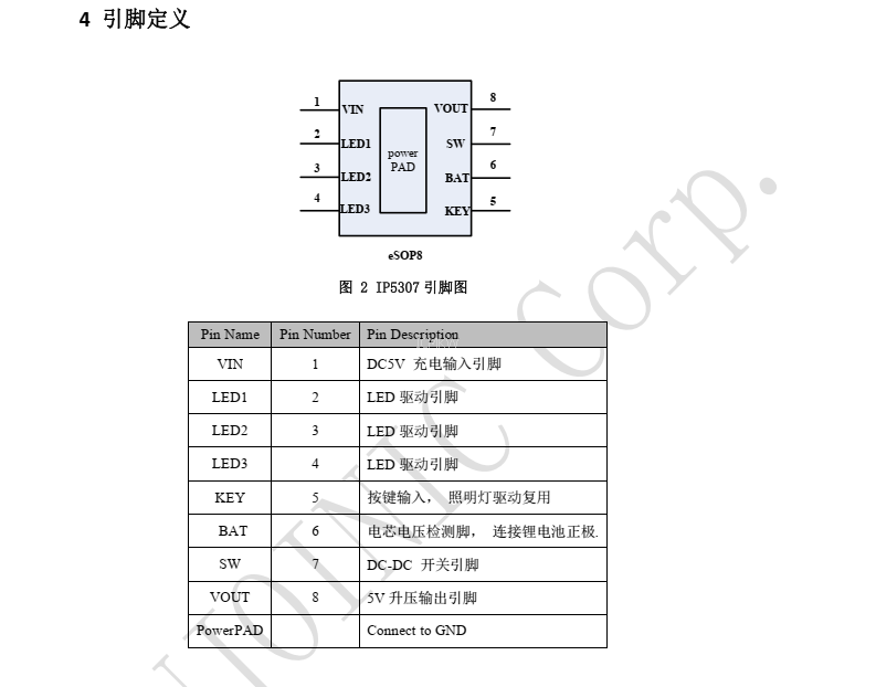
IP5307,2 A 充电 3.1 A 放电高集成度移动电源 SOC芯片规格书下载
IP5307,2 A 充电 3.1 A 放电高集成度移动电源 SOC芯片规格书下载
2023-04-17 15:05:00
ICMKW
原创
443
IP5307.pdf
350
发表评论
称呼
邮箱
接收邮件提醒
内容
评论通过审核后显示。
页尾说明
移动访问