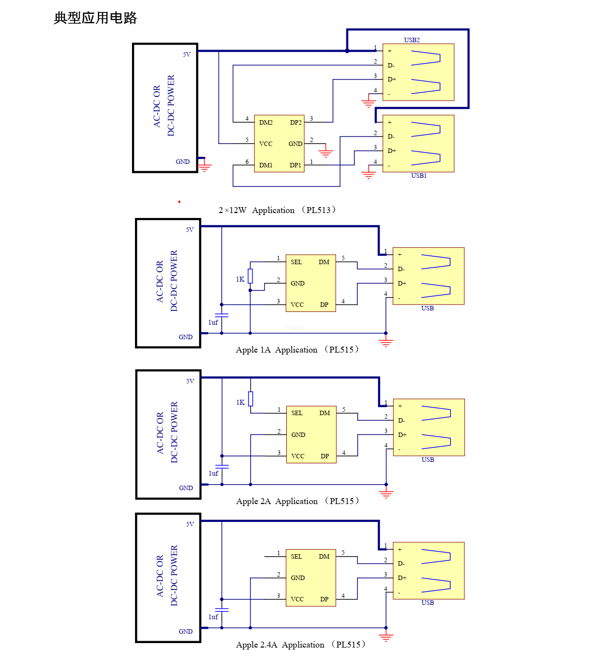
PL513,单/双口 USB 充电协议端口控制器芯片PDF规格书下载
- 2023-07-04 15:07:00
- ICMKW 原创
- 440
发表评论
页尾说明
|
移动访问
|