登录
注册
积分充值
简
繁
En
首页
芯片数据手册
芯片技术论坛
芯片应用
芯片模块商城
当前位置:
首页
规格书
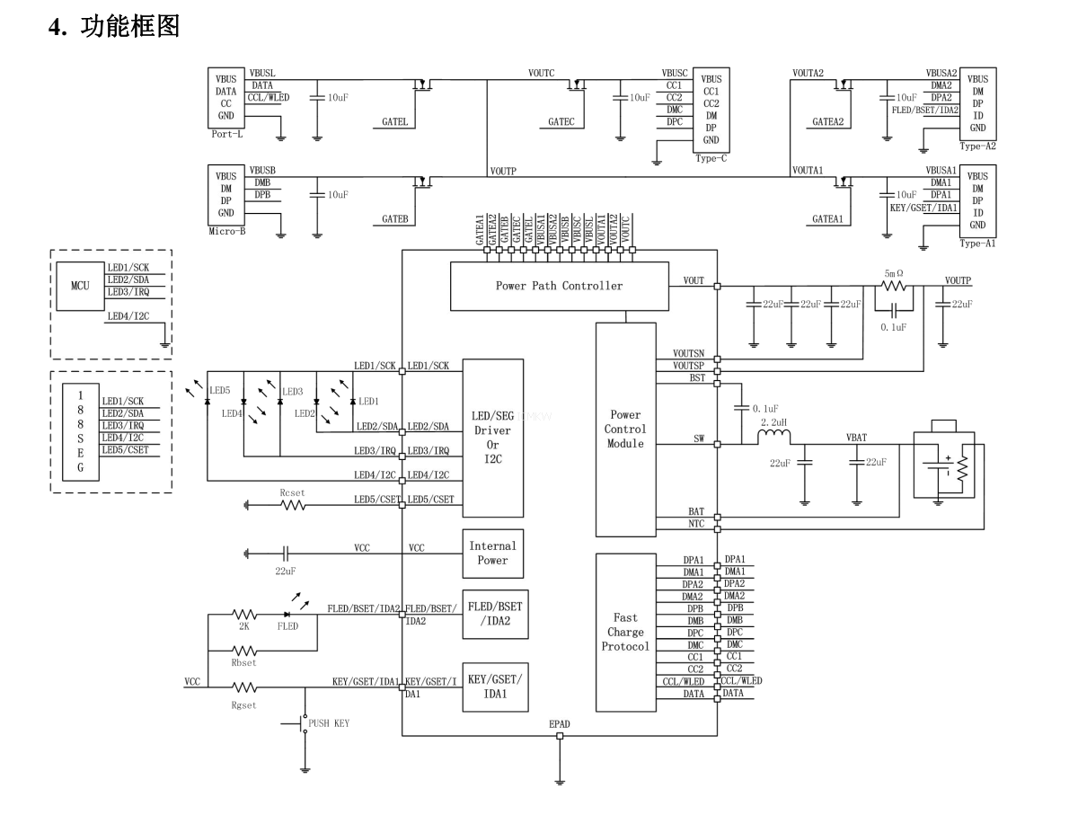
SW6208 ,支持 PD 的五口多协议双向快充移动电源解决方案芯片PDF规格书下载
SW6208 ,支持 PD 的五口多协议双向快充移动电源解决方案芯片PDF规格书下载
2023-07-06 14:00:00
ICMKW
原创
562
SW6208.pdf
323
发表评论
称呼
邮箱
接收邮件提醒
内容
评论通过审核后显示。
页尾说明
移动访问