登录
注册
积分充值
简
繁
En
首页
芯片数据手册
芯片技术论坛
芯片应用
芯片模块商城
当前位置:
首页
规格书
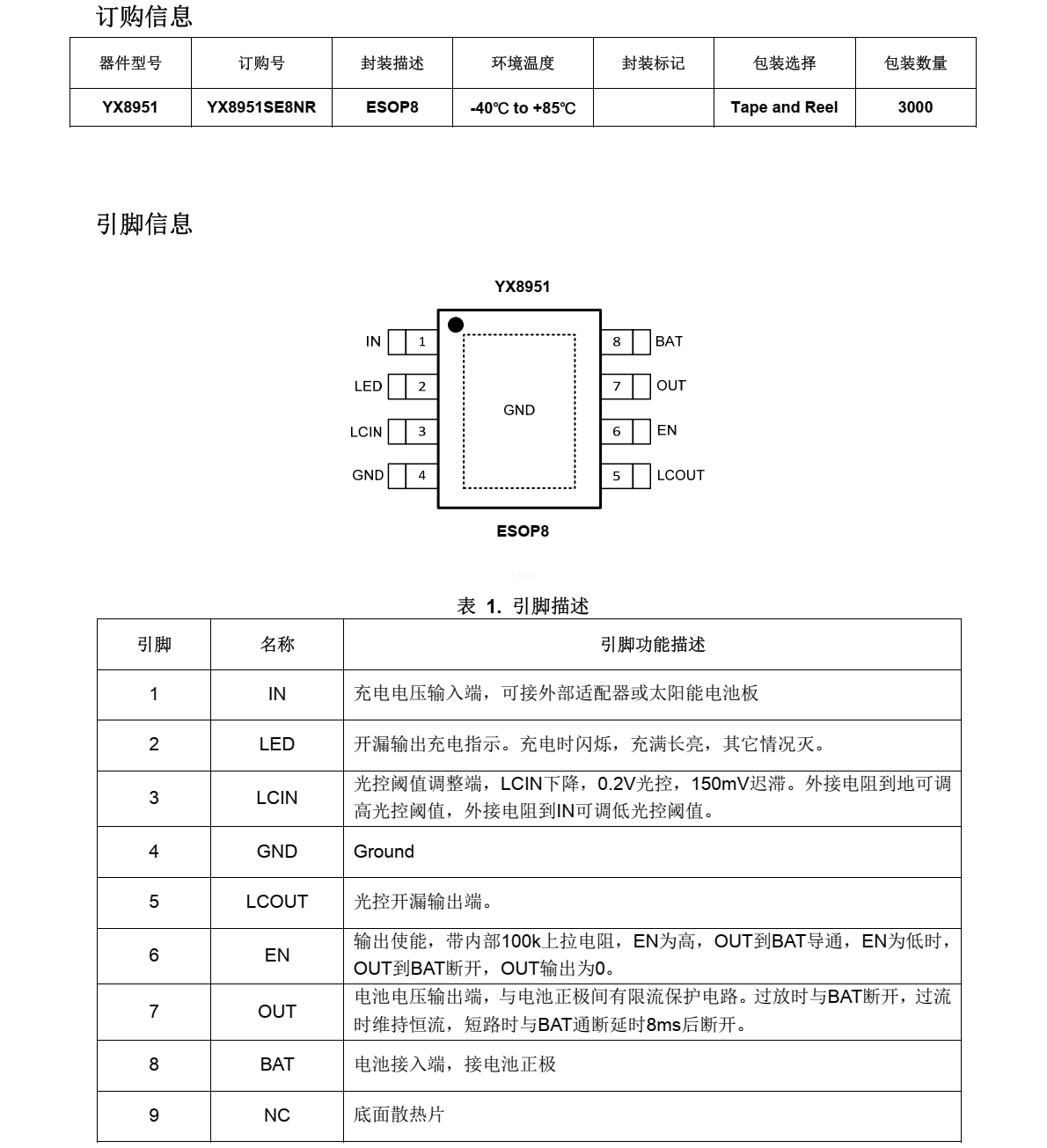
YX8951,太阳能锂电池充放电管理芯片PDF规格书下载
YX8951,太阳能锂电池充放电管理芯片PDF规格书下载
2023-08-29 16:55:00
ICMKW
原创
894
YX8951.pdf
536
发表评论
称呼
邮箱
接收邮件提醒
内容
评论通过审核后显示。
页尾说明
移动访问