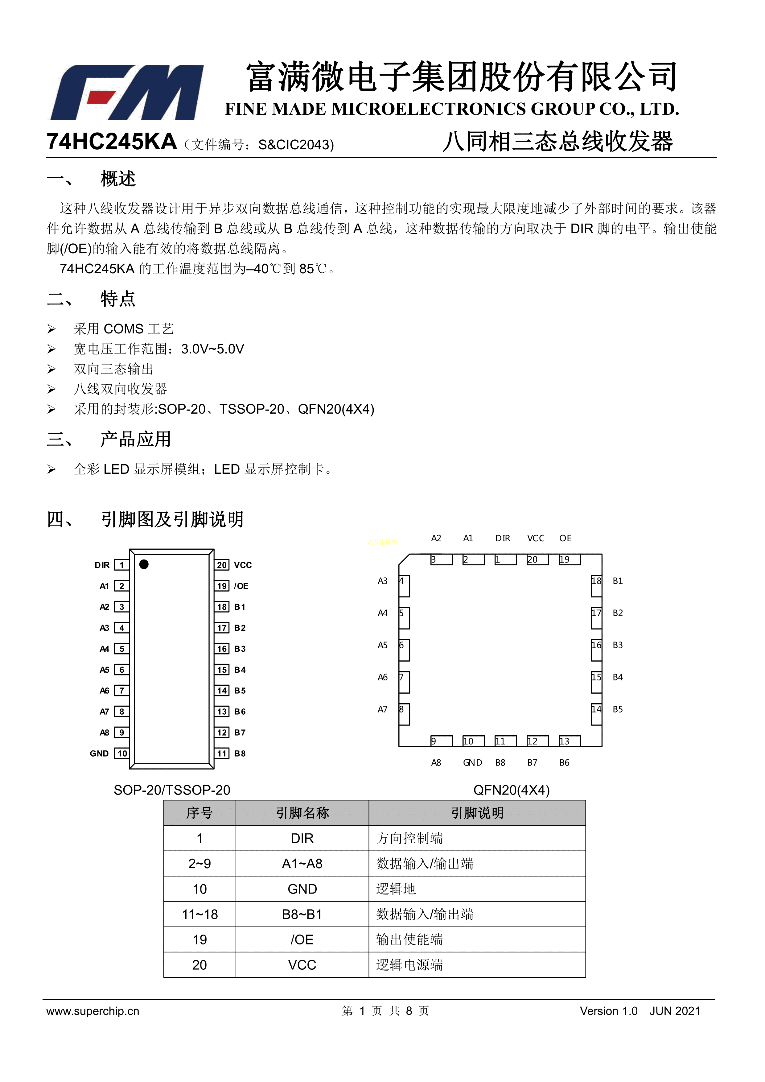
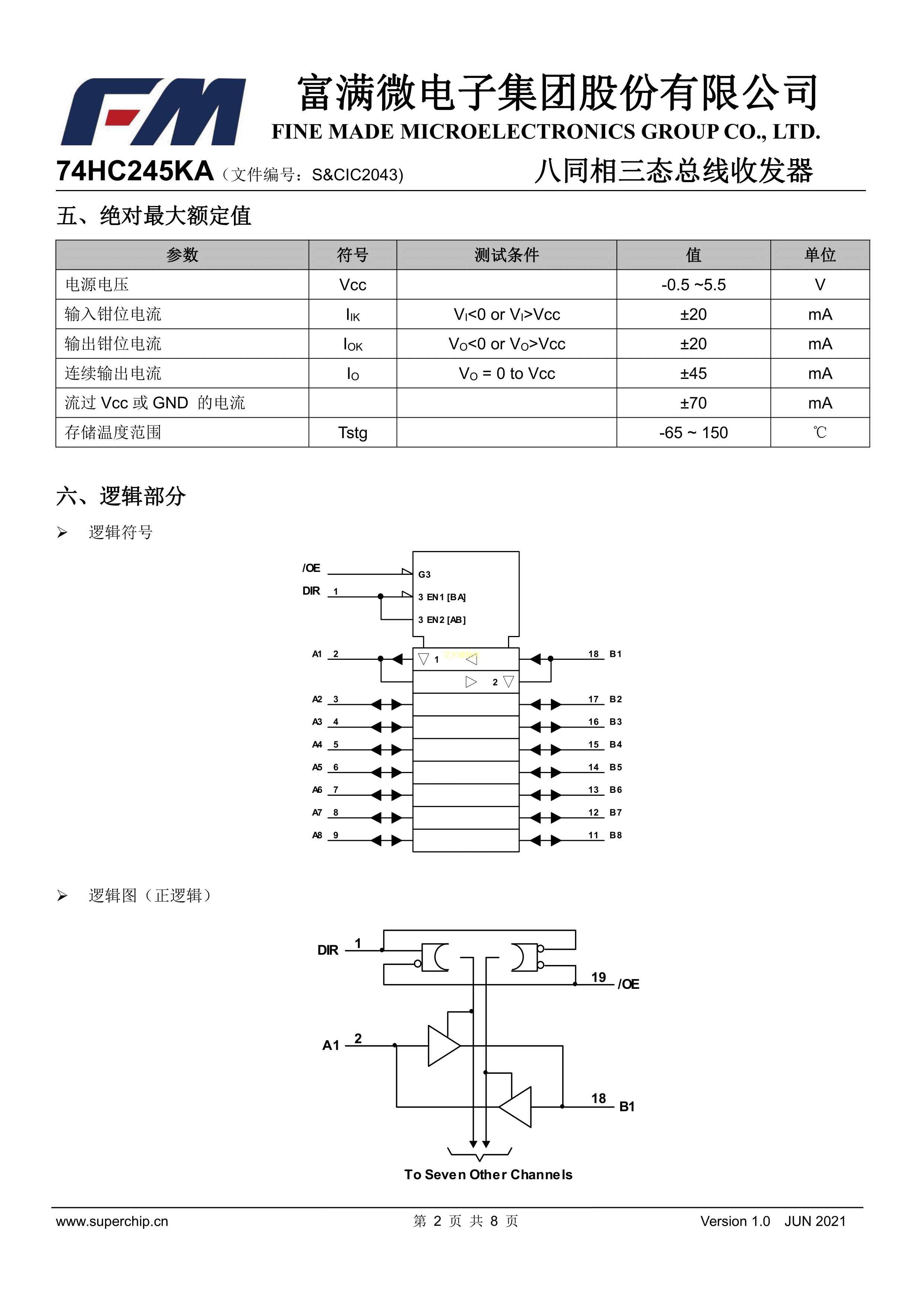
74HC245KA数据手册TSSOP-20封装FM(富满)PDF规格书,中英文下载
- 2022-08-03 14:11:00
- zxj 原创
- 129
发表评论
页尾说明
|
移动访问
|