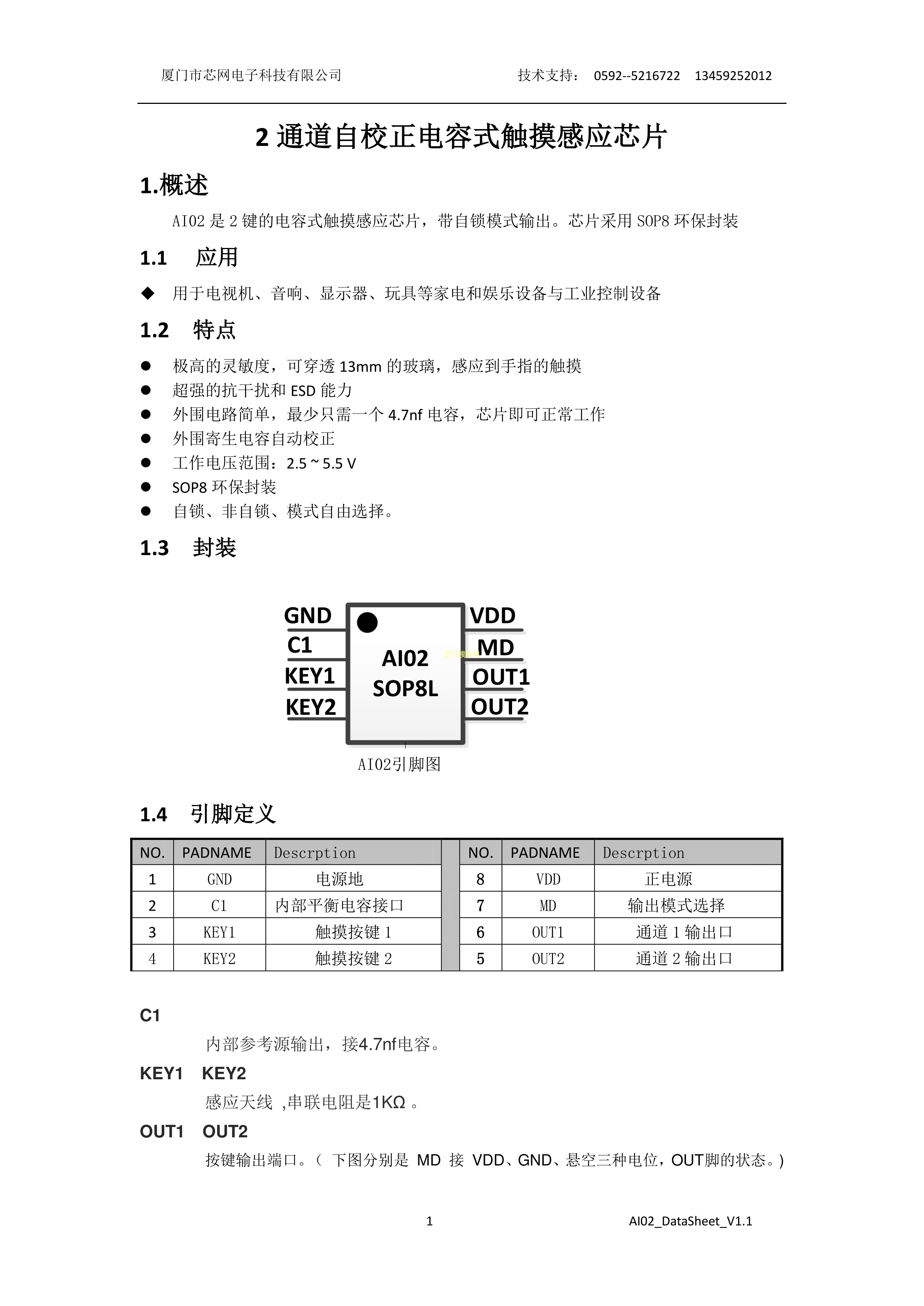
AI02数据手册SOP-8封装Samwing(芯网)PDF规格书,中英文下载
- 2022-08-24 17:13:00
- zxj 原创
- 38
发表评论
页尾说明
|
移动访问
|