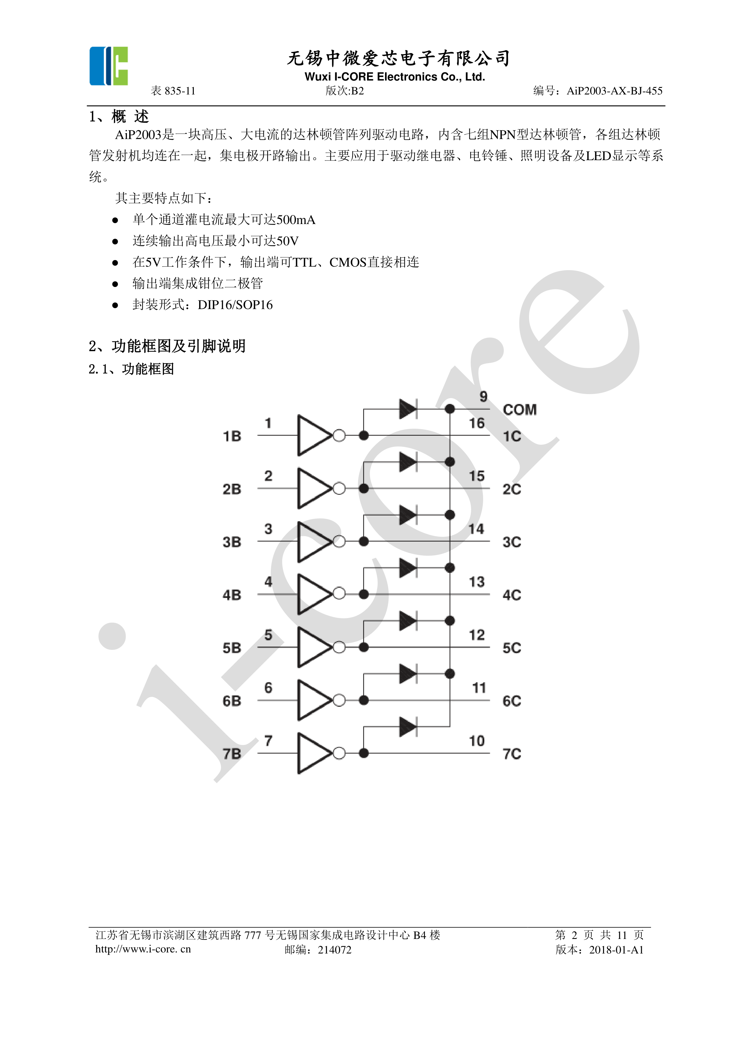
AiP2003数据手册SOP-16_150mil封装I-CORE(中微爱芯)PDF规格书,中英文下载
- 2022-07-09 12:09:00
- 杨工 原创
- 624
发表评论
页尾说明
|
移动访问
|