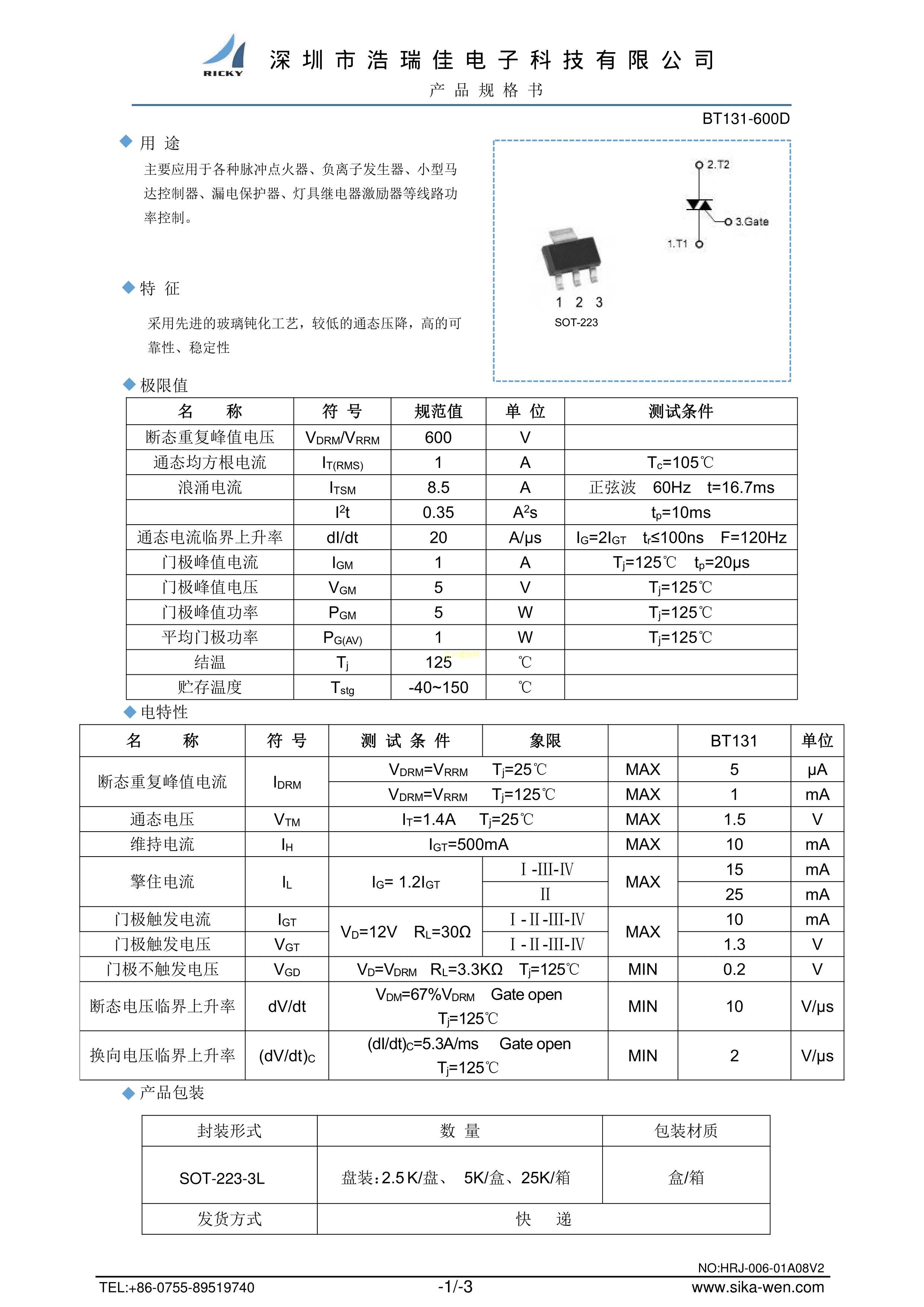
BT131-600D数据手册SOT-223封装RICKYPDF规格书,中英文下载
- 2022-08-08 20:13:00
- zxj 原创
- 42
发表评论
页尾说明
|
移动访问
|