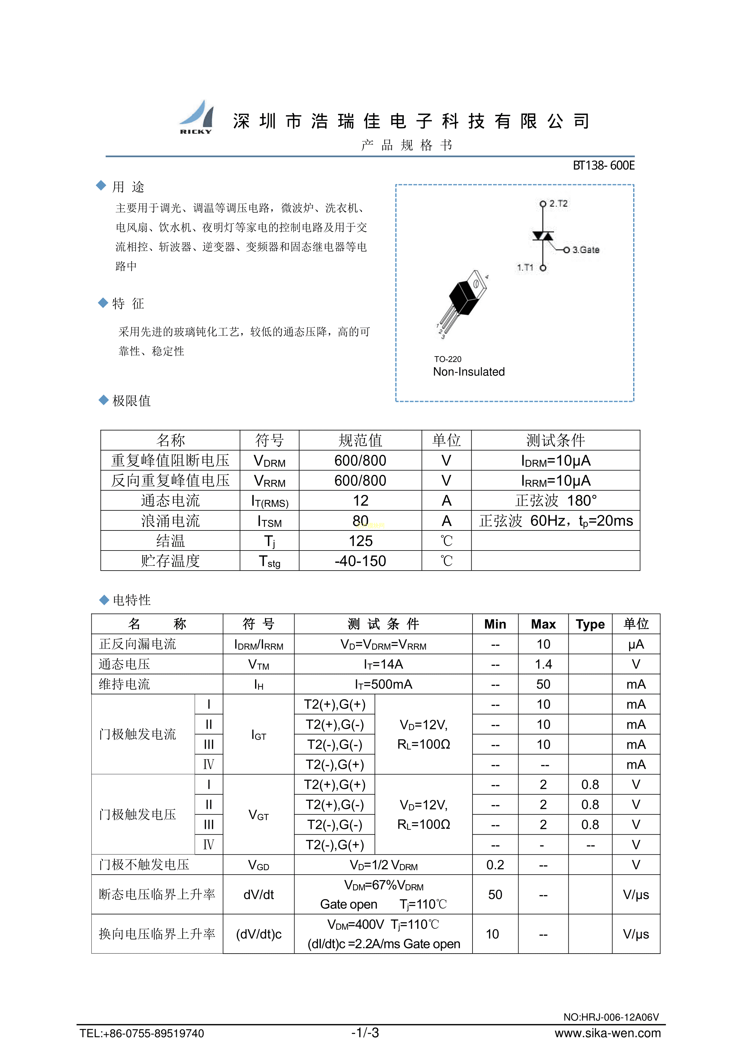
BT138-600E数据手册TO-220封装RICKYPDF规格书,中英文下载
- 2022-07-20 10:00:00
- zxj 原创
- 32
发表评论
页尾说明
|
移动访问
|