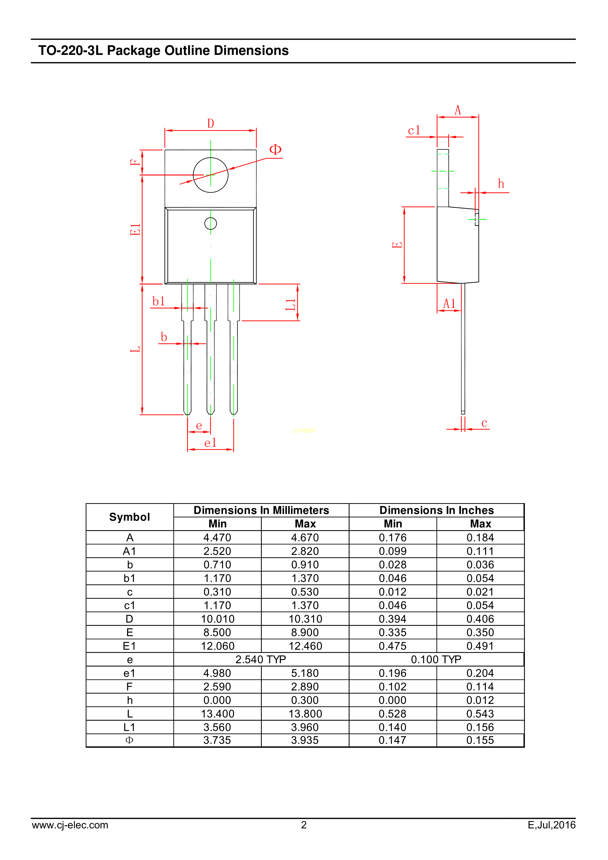
CJ7912数据手册TO-220(TO-220-3)封装CJ(江苏长电-长晶)PDF规格书,中英文下
- 2022-07-15 15:45:00
- zxj 原创
- 48
发表评论
页尾说明
|
移动访问
|