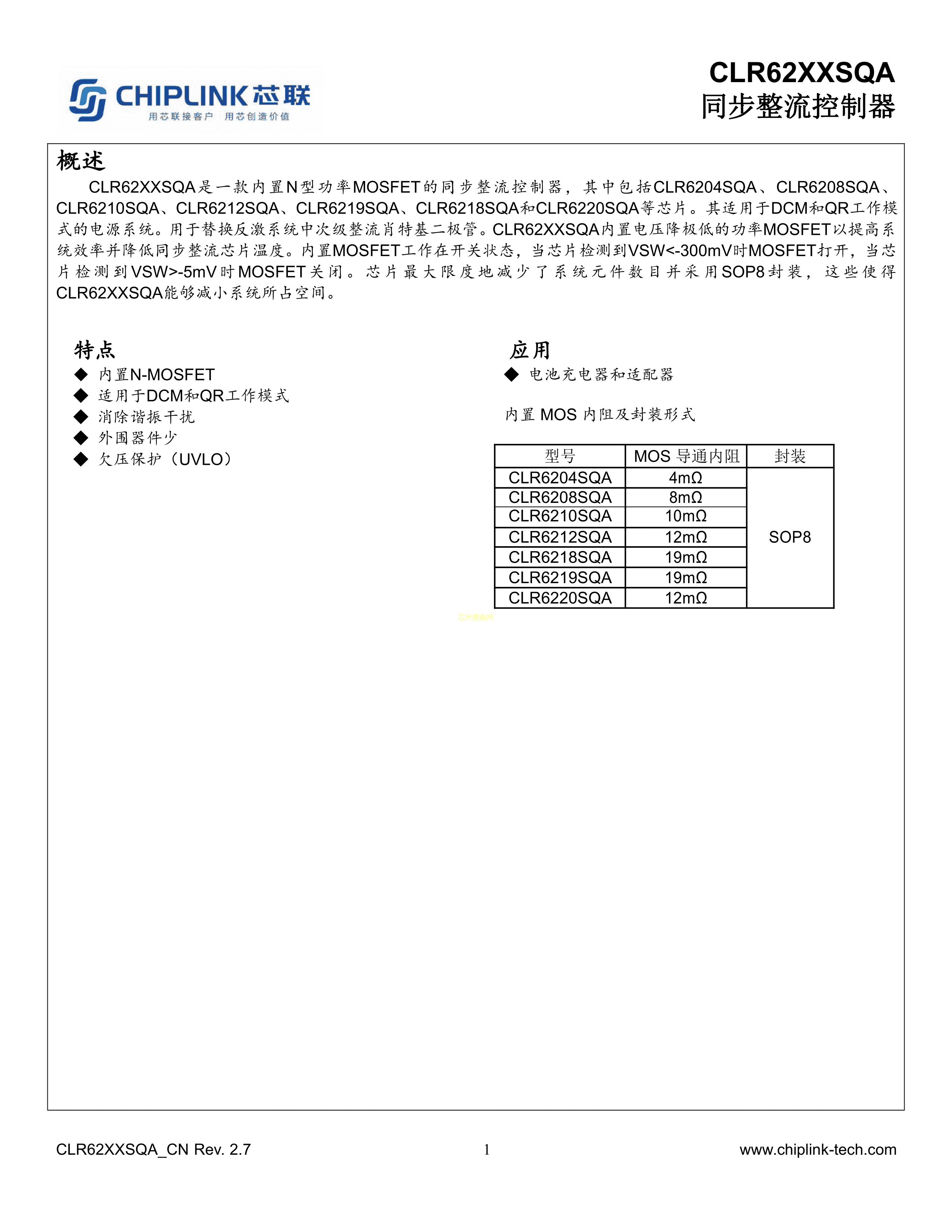
CLR6219SQA数据手册SOP-8封装CHIPLINK(芯联)PDF规格书,中英文下载
- 2022-07-15 16:51:00
- zxj 原创
- 80
发表评论
页尾说明
|
移动访问
|