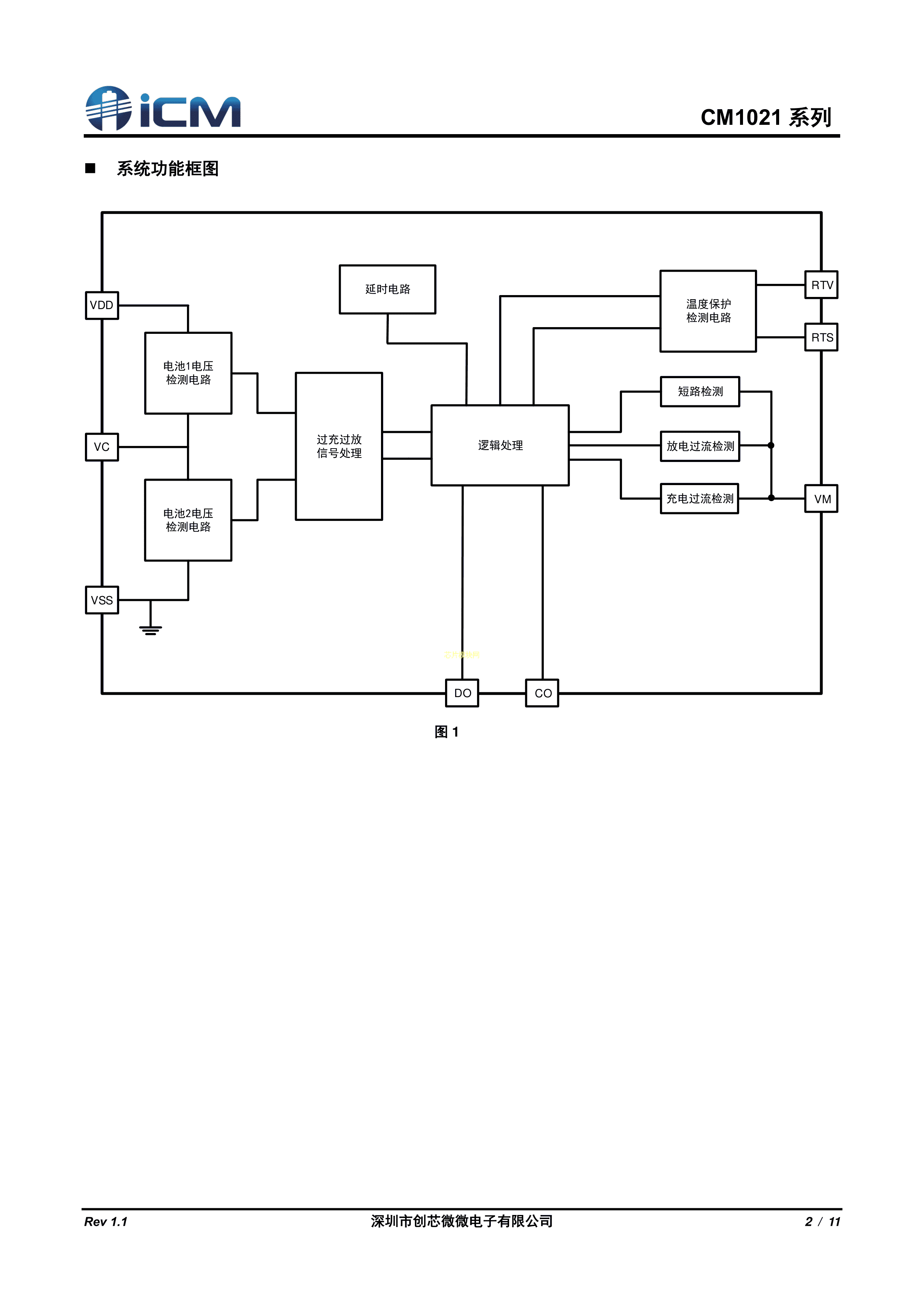
CM1021-E数据手册SOP-8封装iCM(创芯微)PDF规格书,中英文下载
- 2022-07-15 17:30:00
- zxj 原创
- 36
发表评论
页尾说明
|
移动访问
|