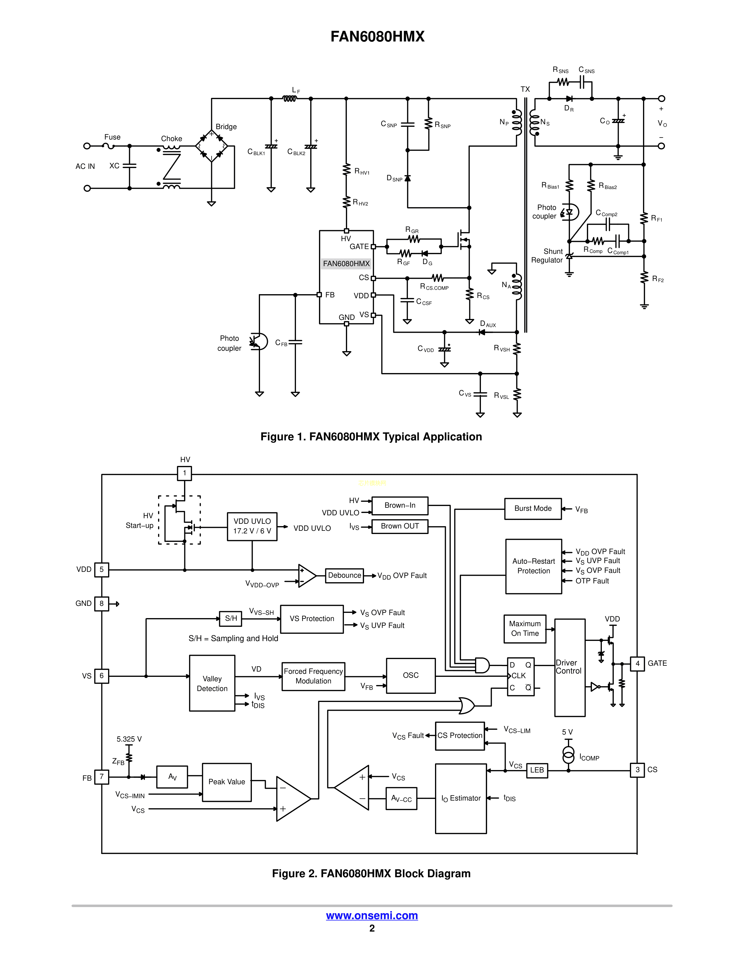
FAN6080HMX数据手册SOIC-8封装onsemi(安森美)PDF规格书,中英文下载
- 2022-07-15 14:53:00
- zxj 原创
- 8
发表评论
页尾说明
|
移动访问
|