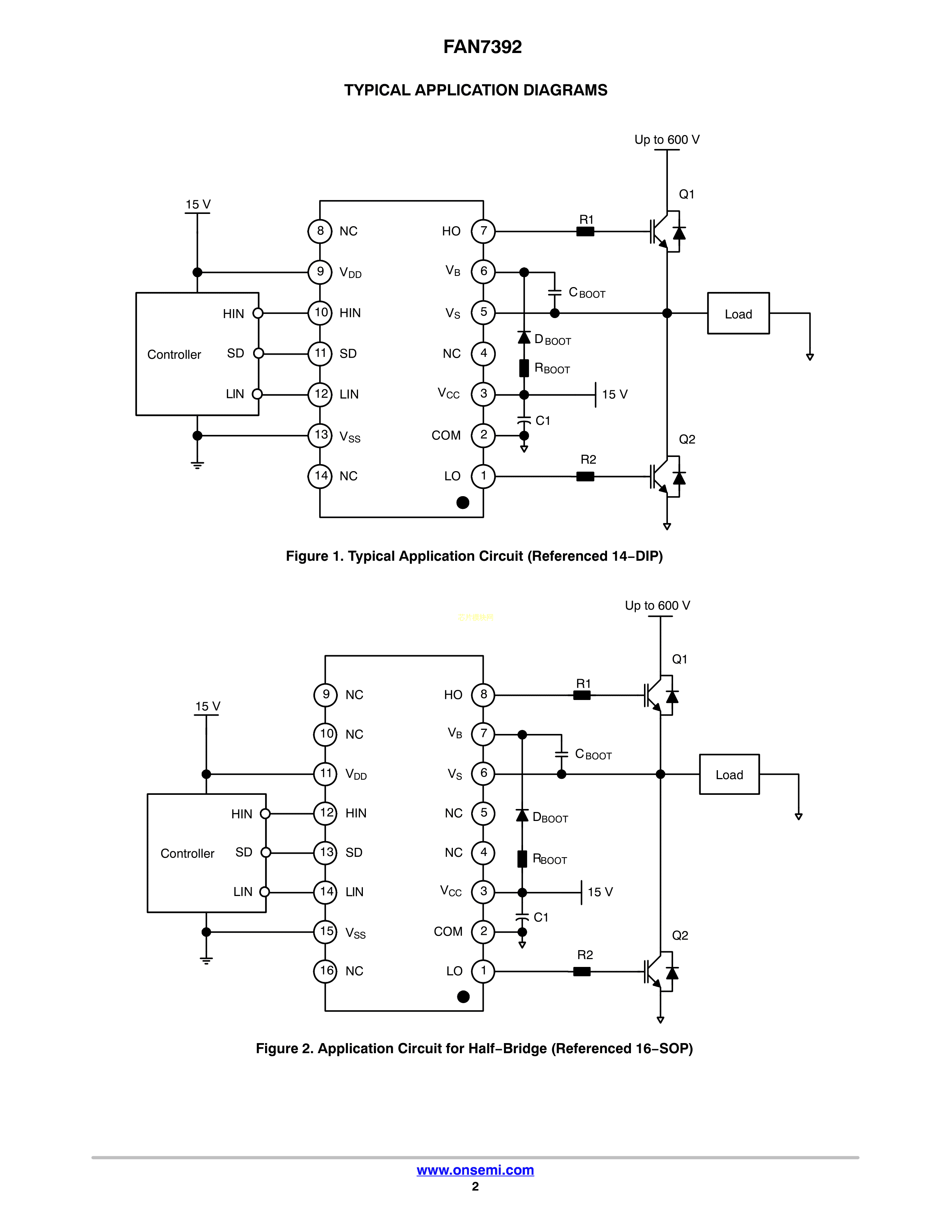
FAN7392N数据手册PDIP-14封装onsemi(安森美)PDF规格书,中英文下载
- 2022-07-30 22:57:00
- zxj 原创
- 20
发表评论
页尾说明
|
移动访问
|