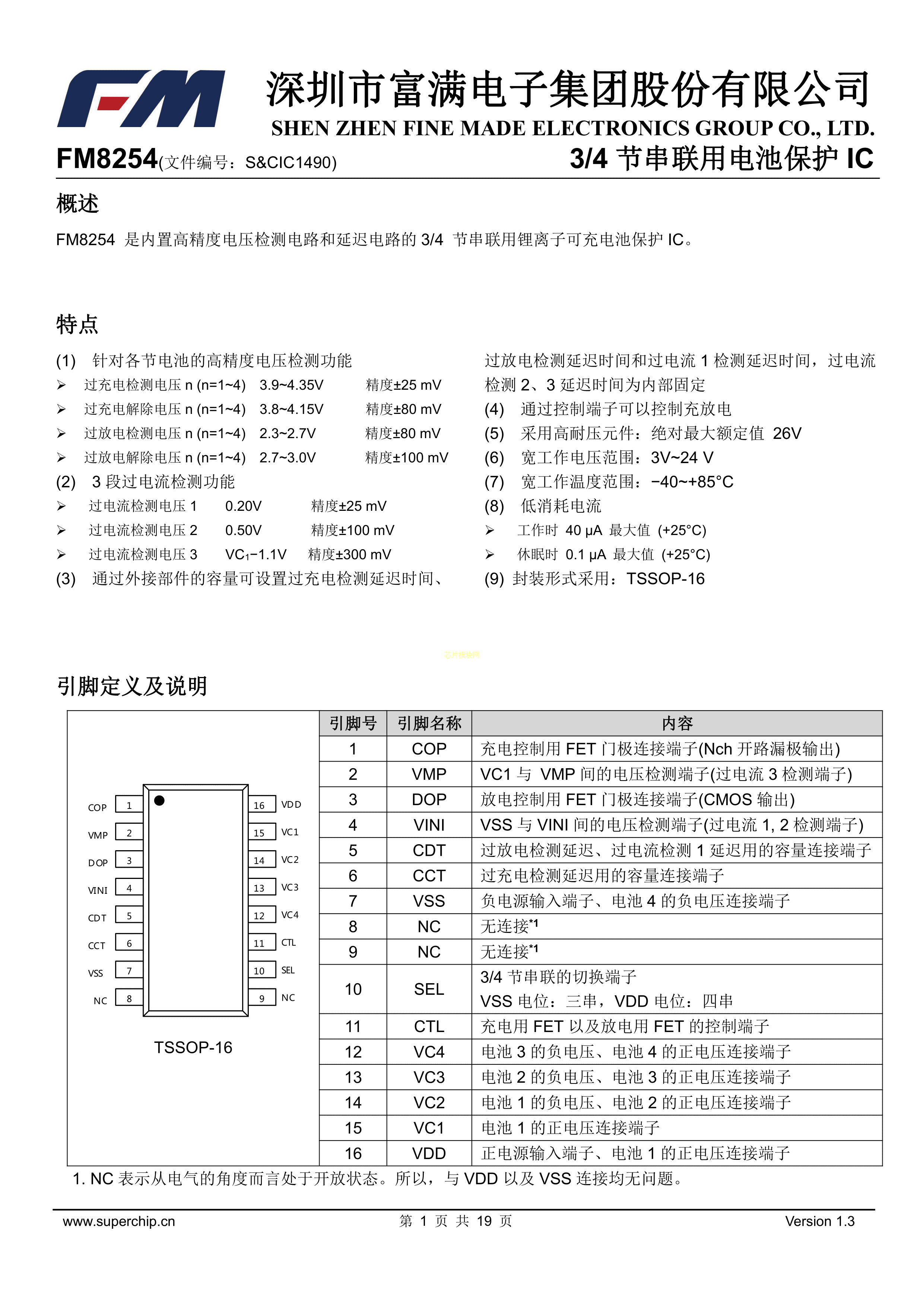
FM8254AAV数据手册TSSOP-16封装FM(富满)PDF规格书,中英文下载
- 2022-07-31 06:08:00
- zxj 原创
- 149
发表评论
页尾说明
|
移动访问
|