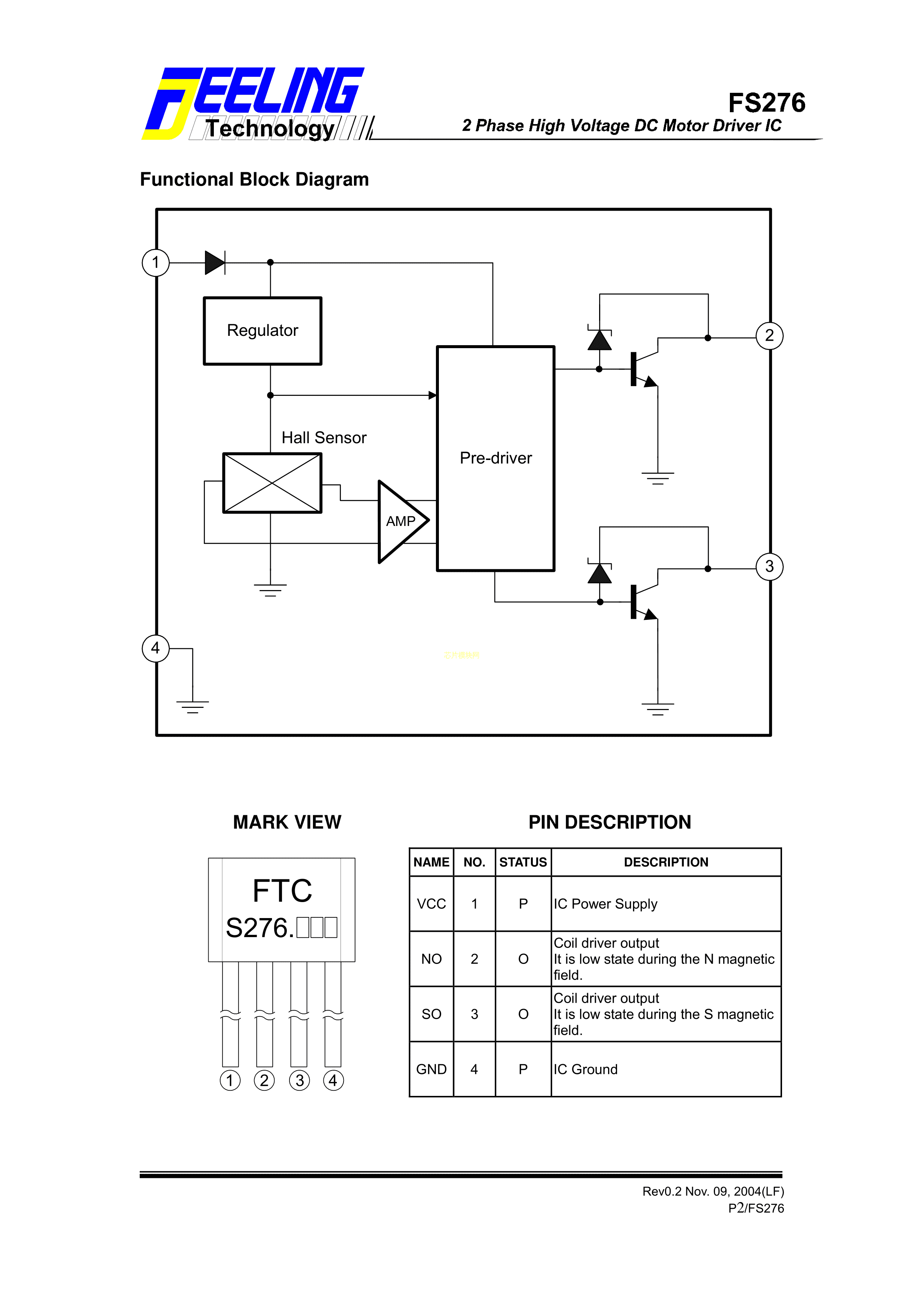
FS276LF-A数据手册TO-92SP-4封装FeelingTechnology(台湾远翔)PDF
- 2022-08-01 11:17:00
- zxj 原创
- 46
发表评论
页尾说明
|
移动访问
|