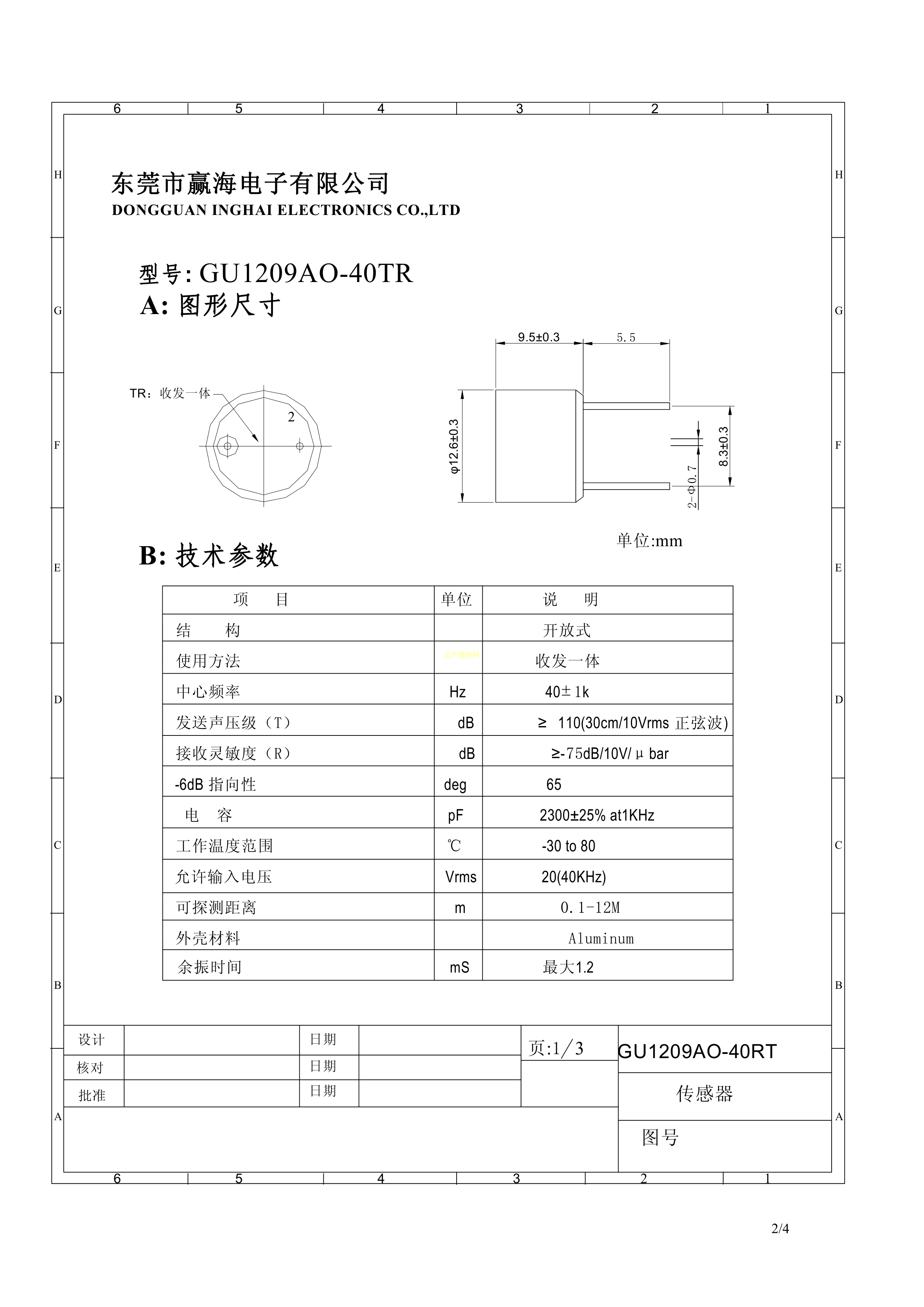
GU1209C-40TGU1209C-40R数据手册ThroughHole封装INGHAi(赢海)PDF规格书,中英文下载
- 2022-08-26 11:36:00
- zxj 原创
- 56
发表评论
页尾说明
|
移动访问
|