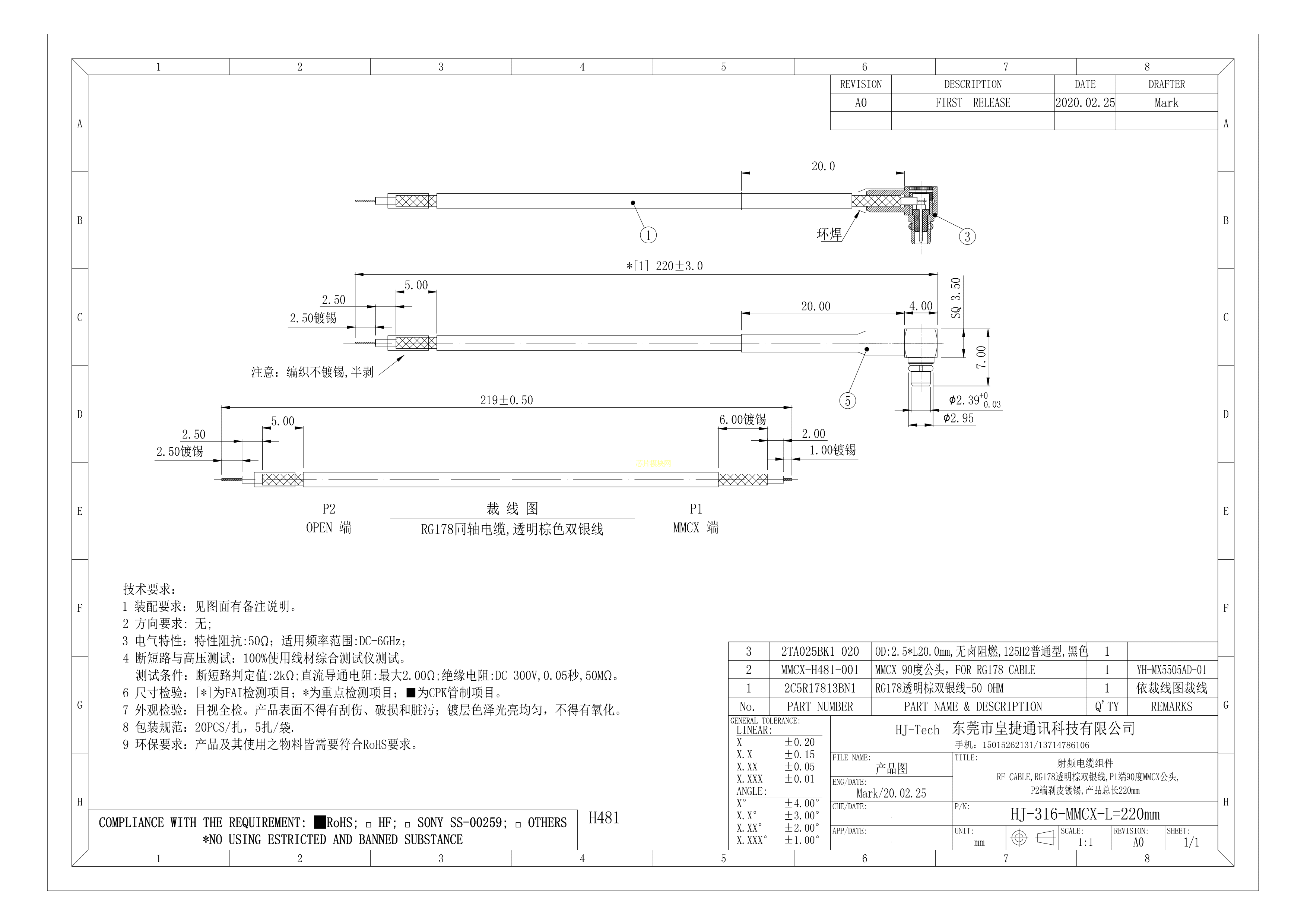
HJ-316-MMCX-L220mm数据手册-封装皇捷PDF规格书,中英文下载
- 2022-08-17 11:28:00
- zxj 原创
- 37
发表评论
页尾说明
|
移动访问
|