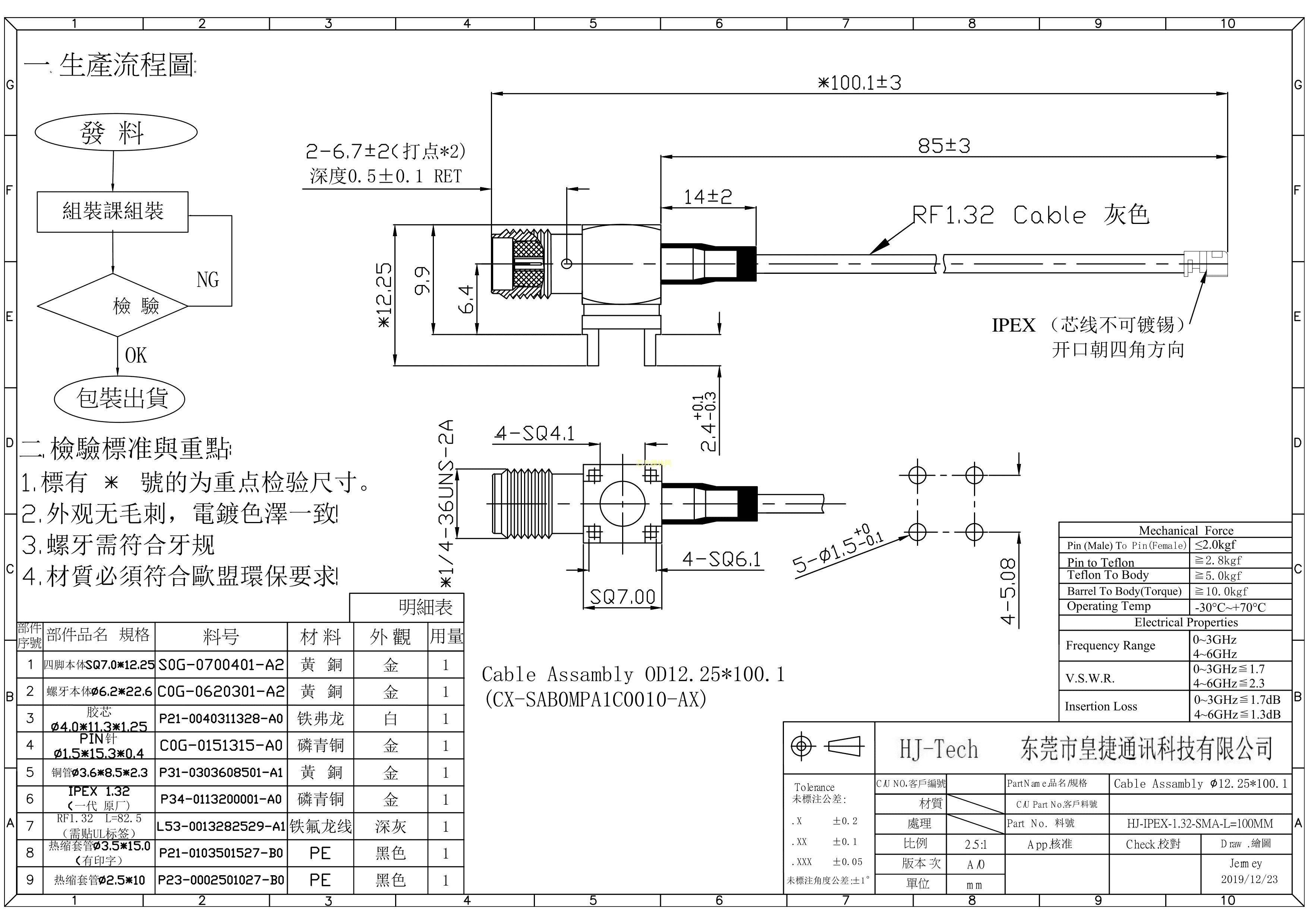
HJ-IPEX-1.32-SMA-L100MM数据手册-封装皇捷PDF规格书,中英文下载
- 2022-08-17 11:30:00
- zxj 原创
- 37
发表评论
页尾说明
|
移动访问
|