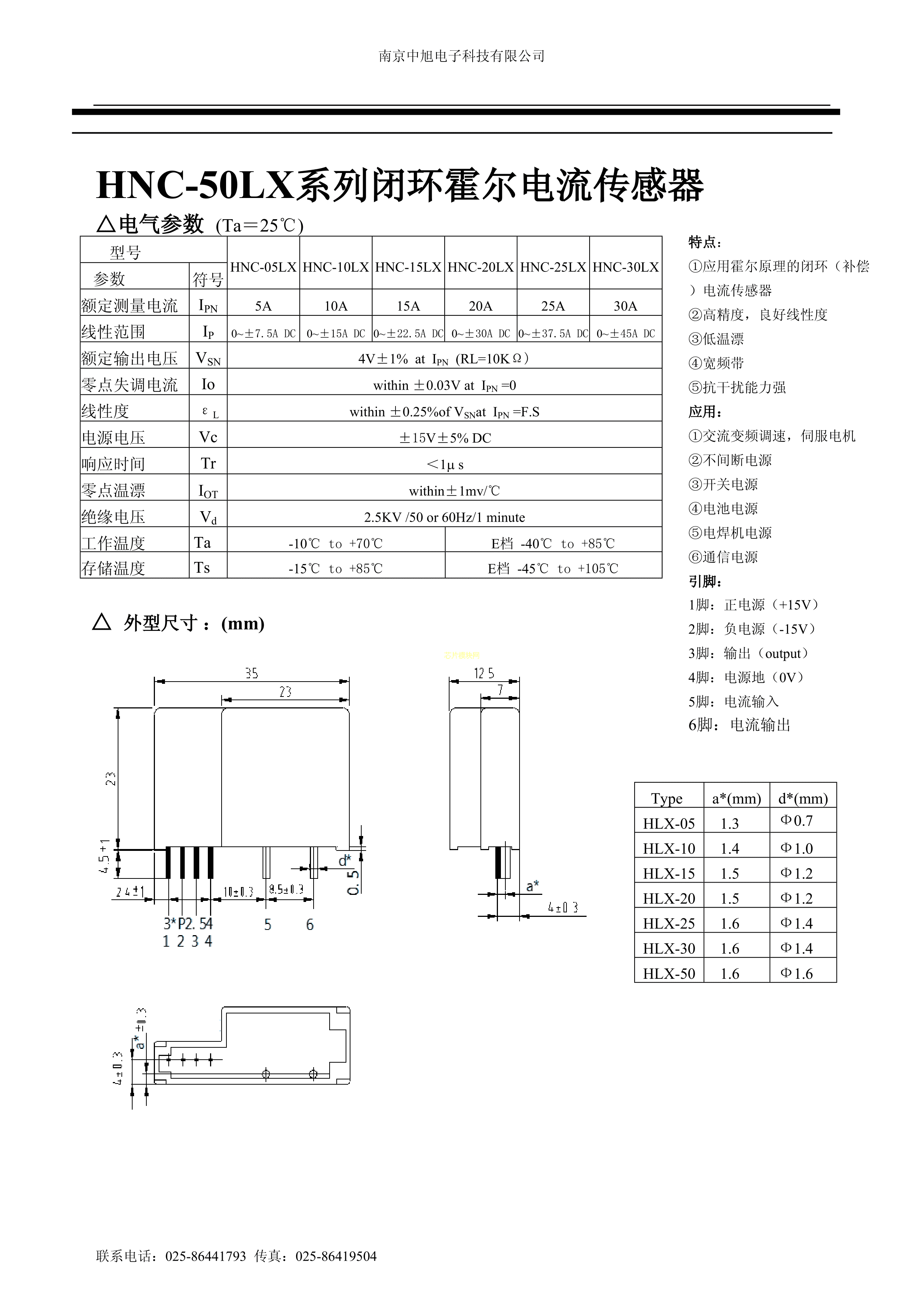
HNC-05LX数据手册ThroughHole封装中旭PDF规格书,中英文下载
- 2022-08-26 11:43:00
- zxj 原创
- 47
发表评论
页尾说明
|
移动访问
|