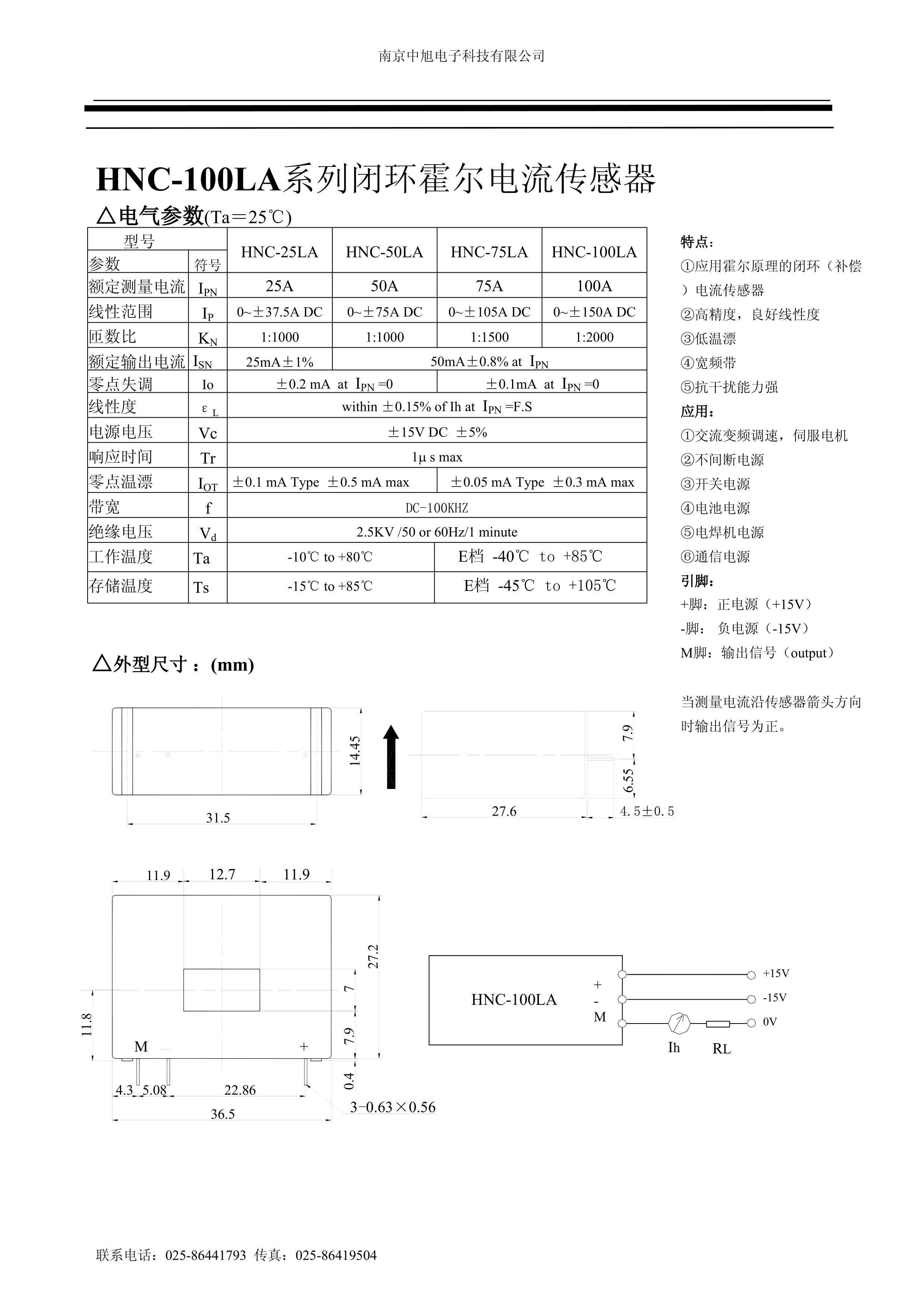
HNC-100LA数据手册Through Hole封装中旭PDF规格书,中英文下载
- 2022-07-10 00:37:00
- gzh 原创
- 8
发表评论
页尾说明
|
移动访问
|