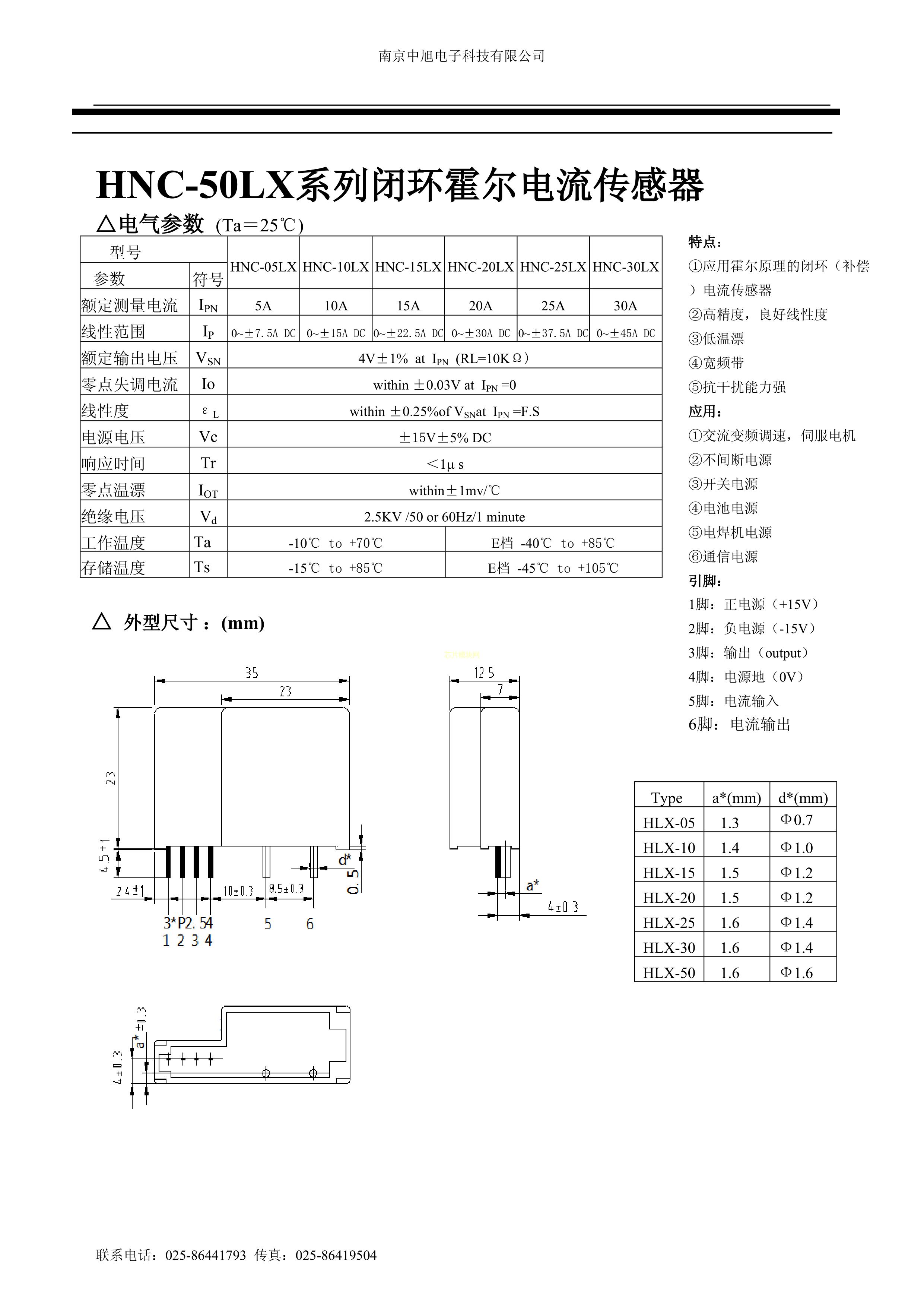
HNC-15LX数据手册Through Hole封装中旭PDF规格书,中英文下载
- 2022-07-13 18:23:00
- 杨工 原创
- 9
发表评论
页尾说明
|
移动访问
|