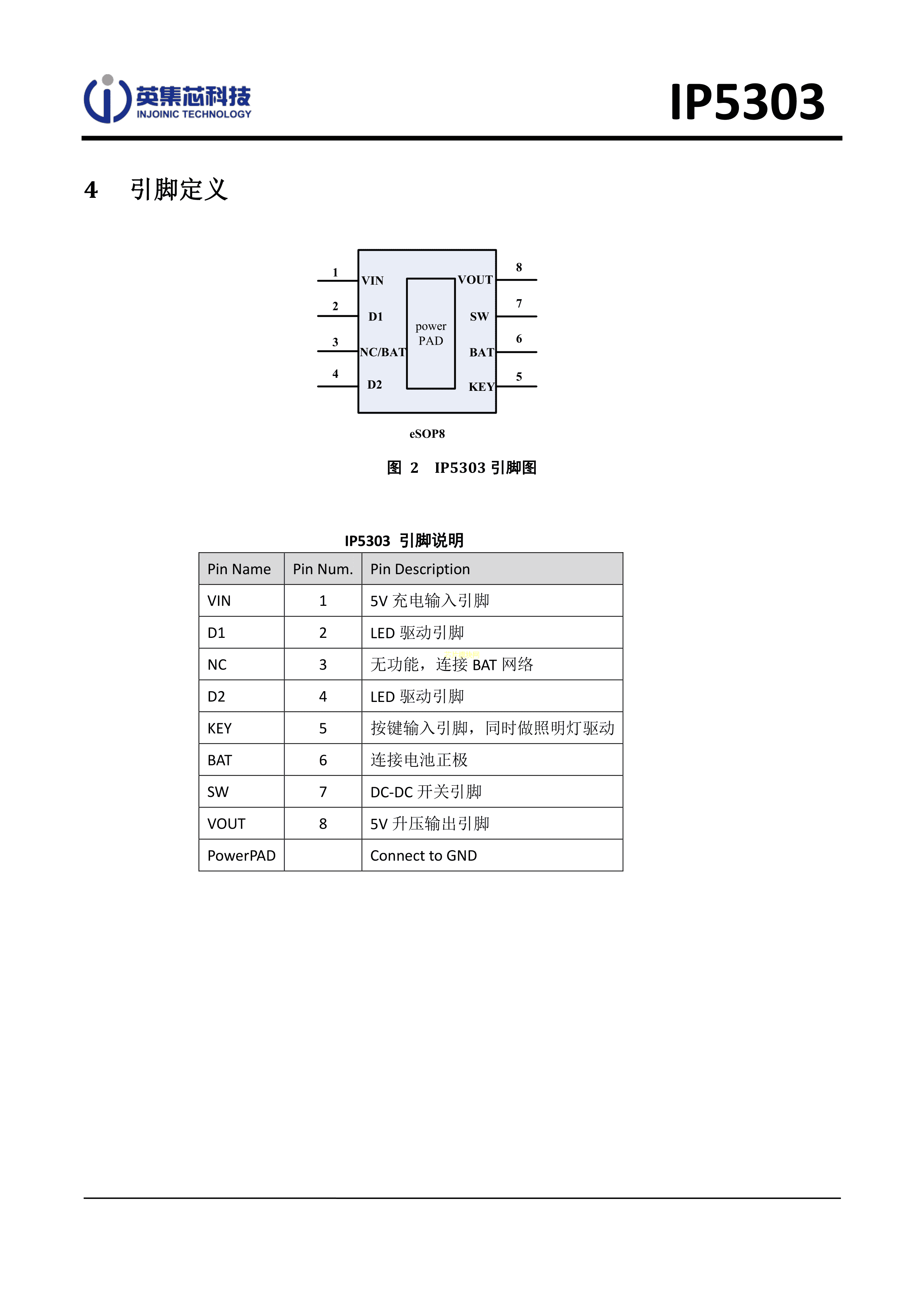
IP5303数据手册ESOP-8封装INJOINIC(英集芯)PDF规格书,中英文下载
- 2022-08-08 11:52:00
- zxj 原创
- 50
发表评论
页尾说明
|
移动访问
|