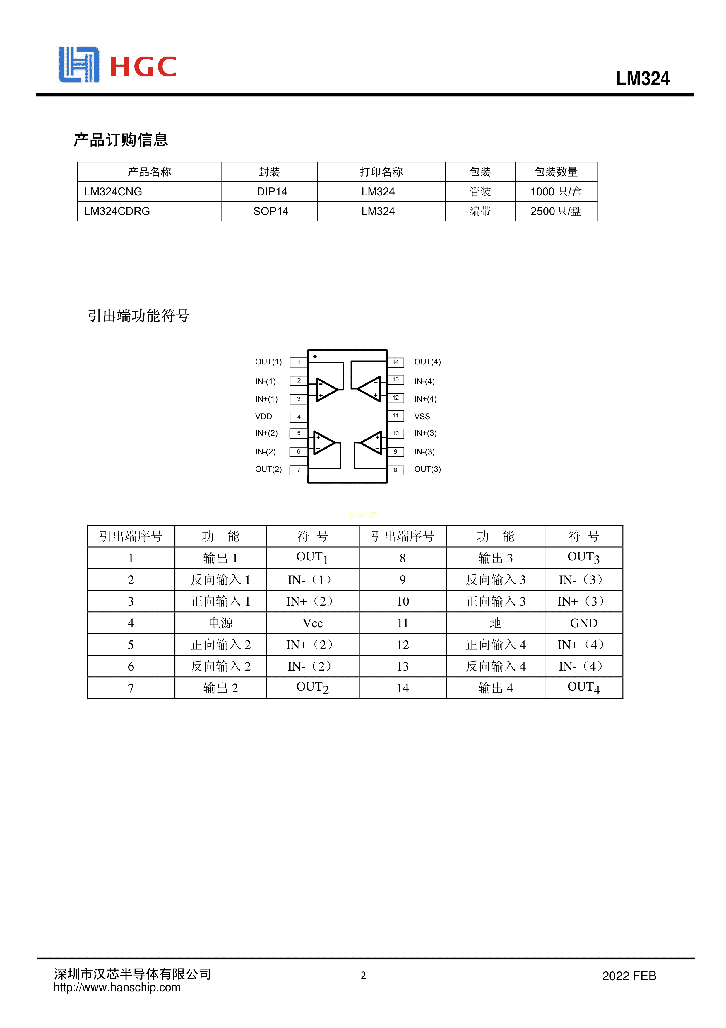
LM324CDRG数据手册SOP-14封装HGC(深圳汉芯)PDF规格书,中英文下载
- 2022-07-29 11:32:00
- zxj 原创
- 110
发表评论
页尾说明
|
移动访问
|