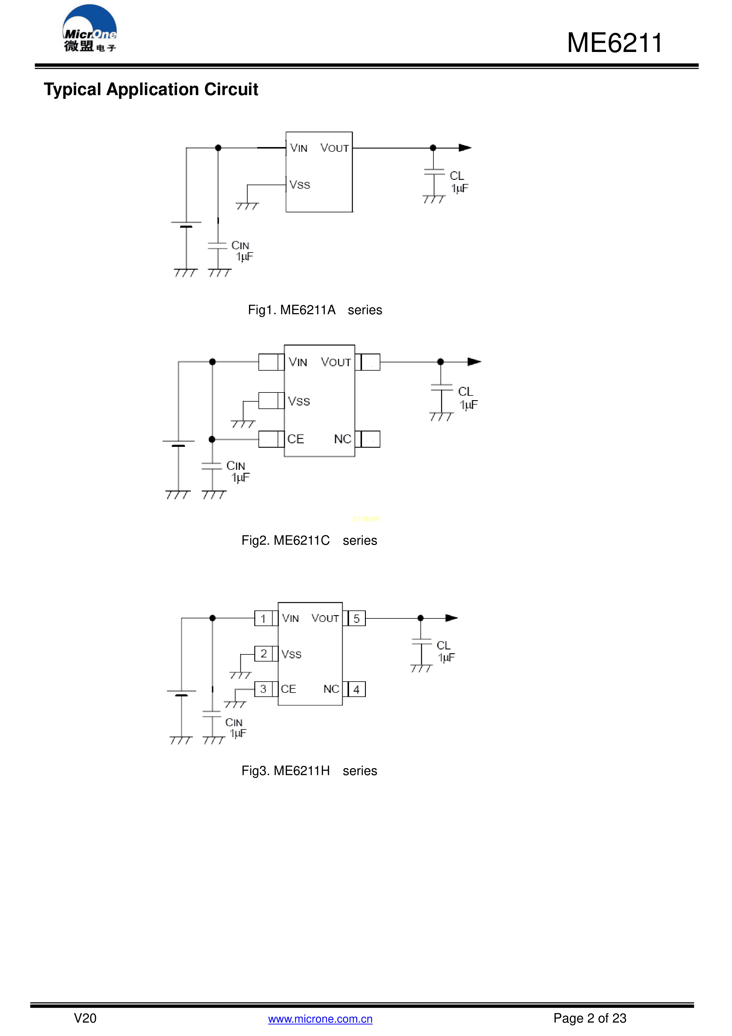
ME6211A30M3G-N数据手册SOT-23(SOT-23-3)封装MICRONE(南京微盟)P
- 2022-07-16 00:33:00
- zxj 原创
- 74
发表评论
页尾说明
|
移动访问
|