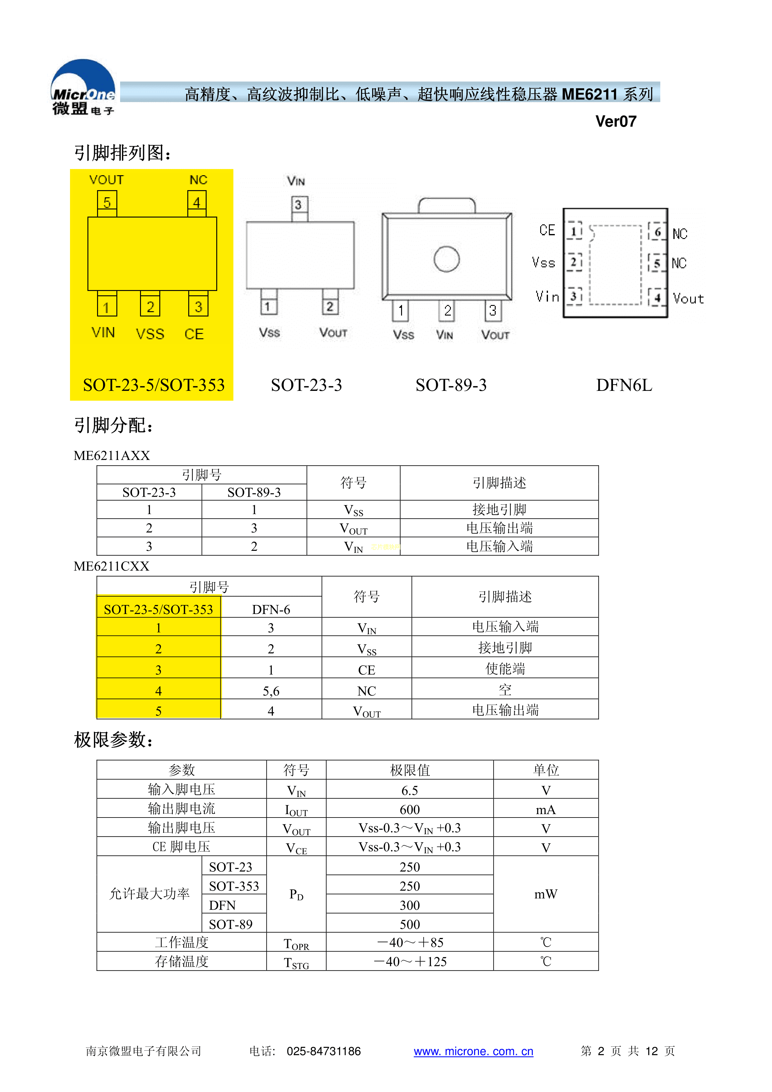
ME6211C15M5G-N数据手册SOT-23-5封装MICRONE(南京微盟)PDF规格书,中英文下载
- 2022-08-16 15:06:00
- zxj 原创
- 87
发表评论
页尾说明
|
移动访问
|