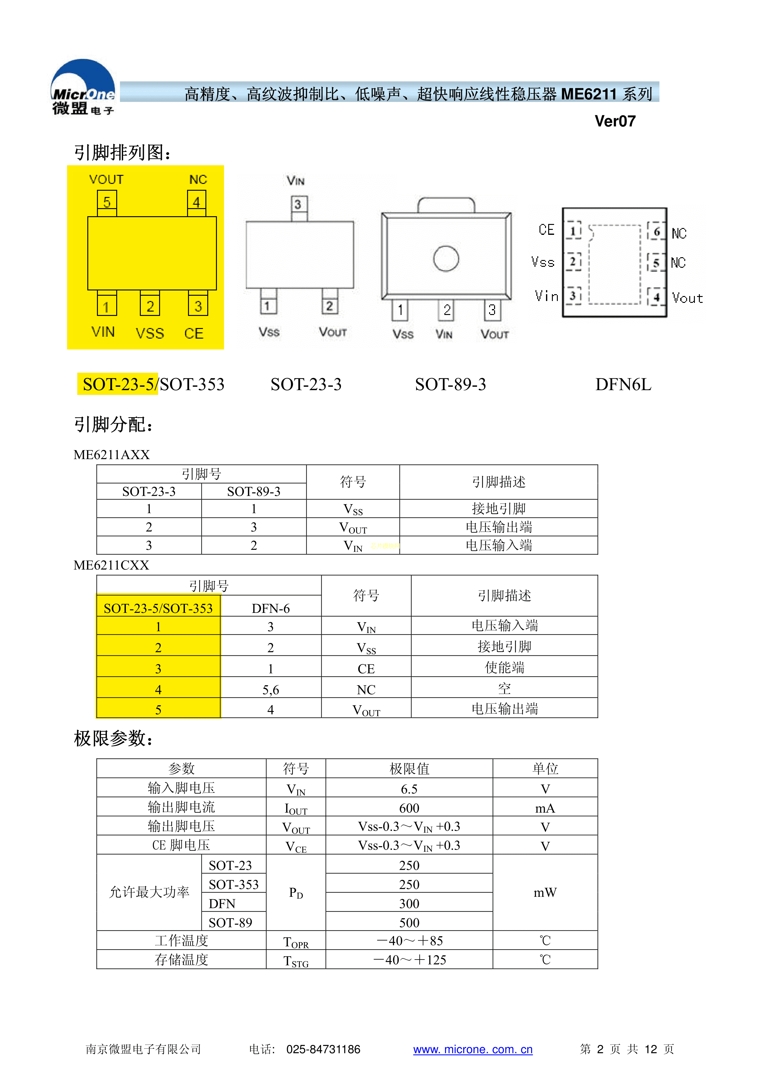
ME6211C28M5G-N数据手册SOT-23-5封装MICRONE(南京微盟)PDF规格书,中英
- 2022-07-16 00:41:00
- zxj 原创
- 112
发表评论
页尾说明
|
移动访问
|