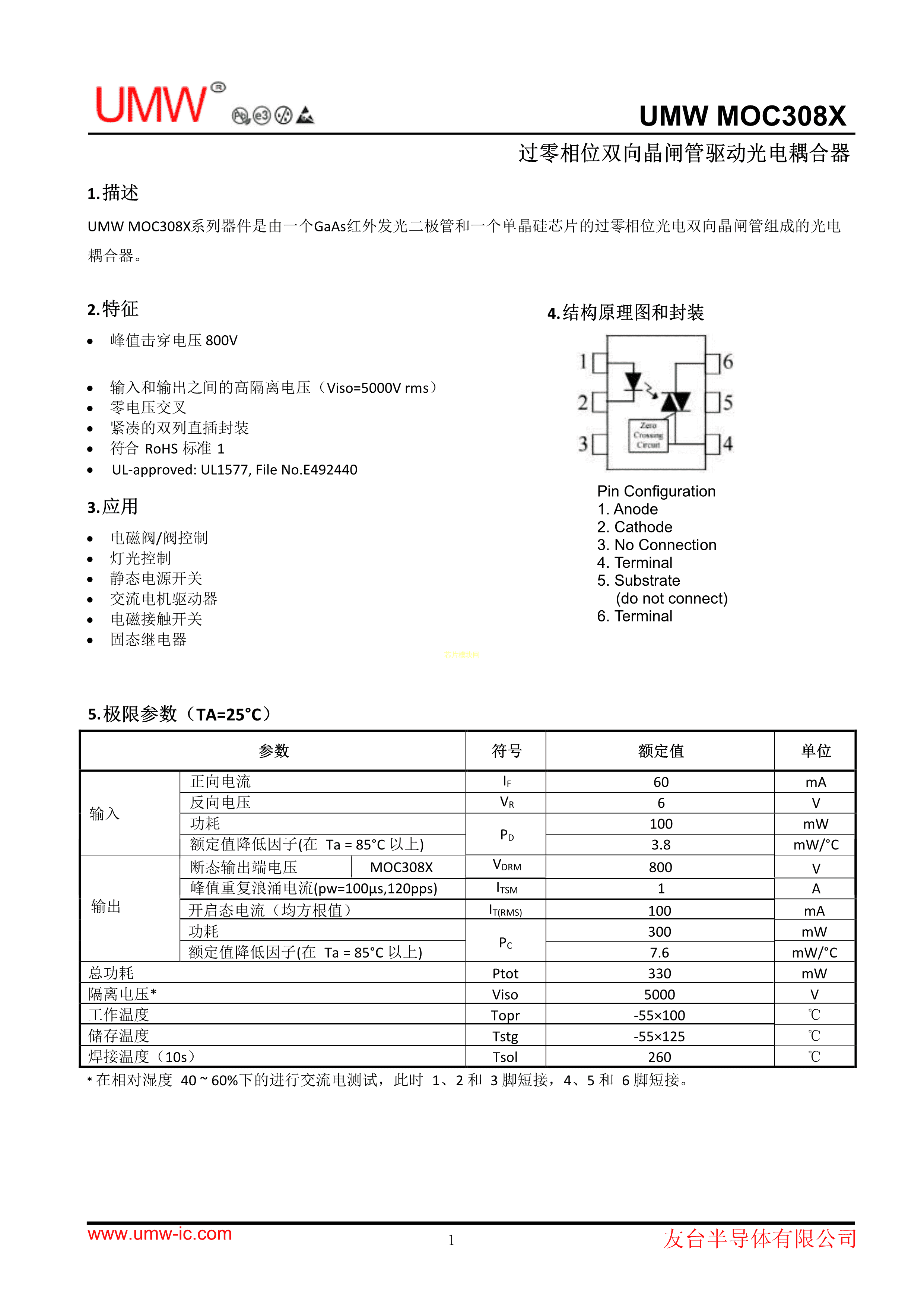
MOC3082M数据手册DIP-6封装UMW(友台半导体)PDF规格书,中英文下载
- 2022-08-04 19:48:00
- zel 原创
- 122
发表评论
页尾说明
|
移动访问
|