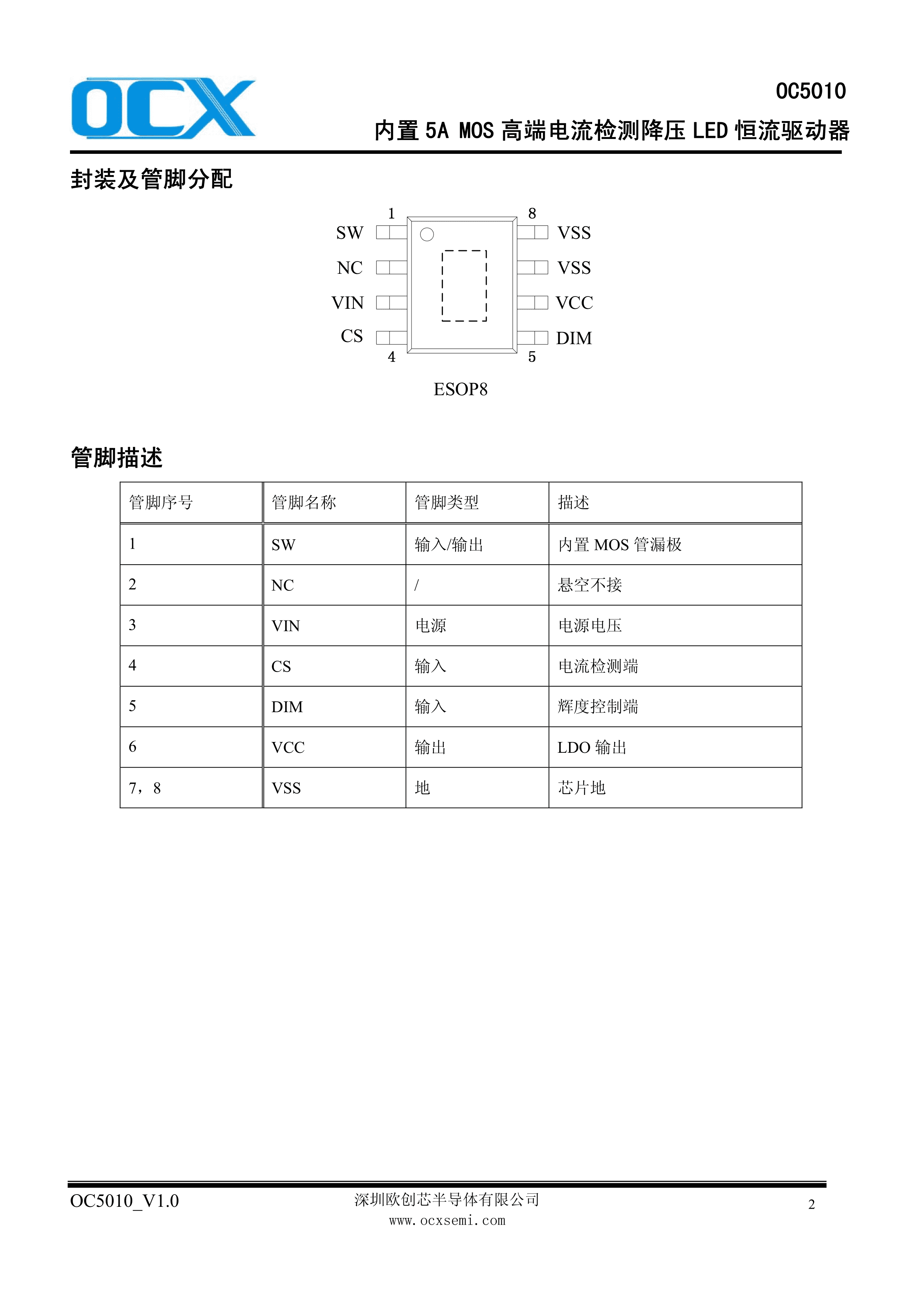
OC5010数据手册ESOP-8封装OCX(欧创芯)PDF规格书,中英文下载
- 2022-07-12 16:55:00
- zxj 原创
- 178
发表评论
页尾说明
|
移动访问
|