登录
注册
积分充值
简
繁
En
首页
芯片数据手册
芯片技术论坛
芯片应用
芯片模块商城
当前位置:
首页
规格书
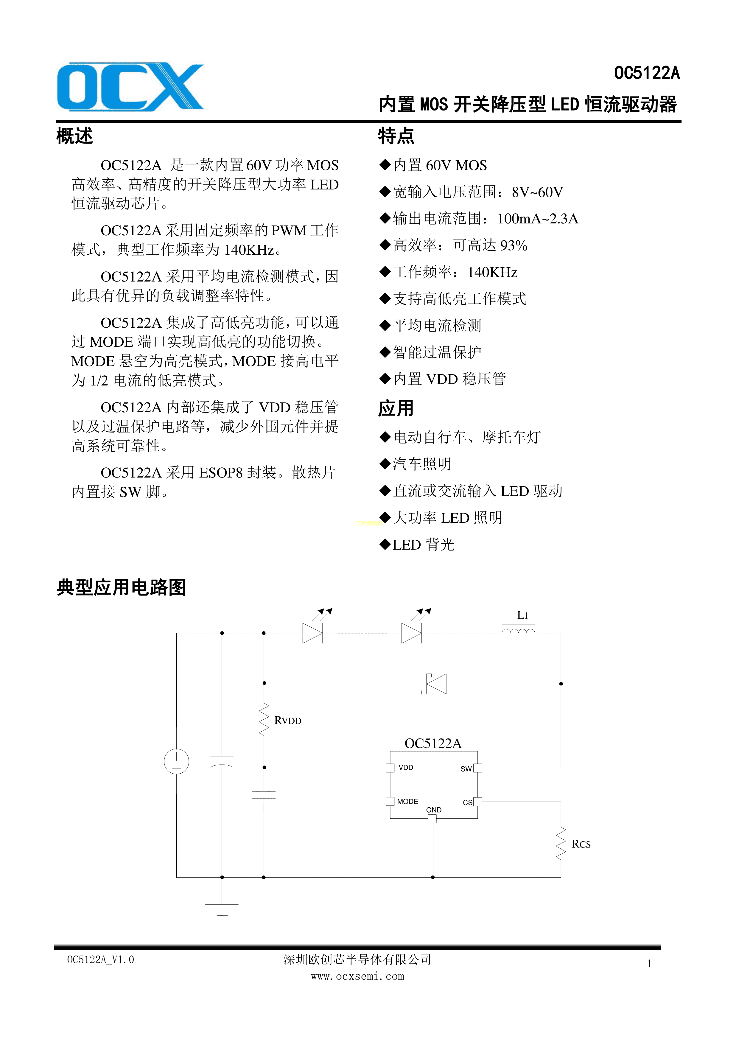
OC5122APDF规格书,中英文下载
OC5122APDF规格书,中英文下载
2022-08-31 10:17:00
zxj
原创
154
OC5122A.pdf
120
发表评论
称呼
邮箱
接收邮件提醒
内容
评论通过审核后显示。
页尾说明
移动访问