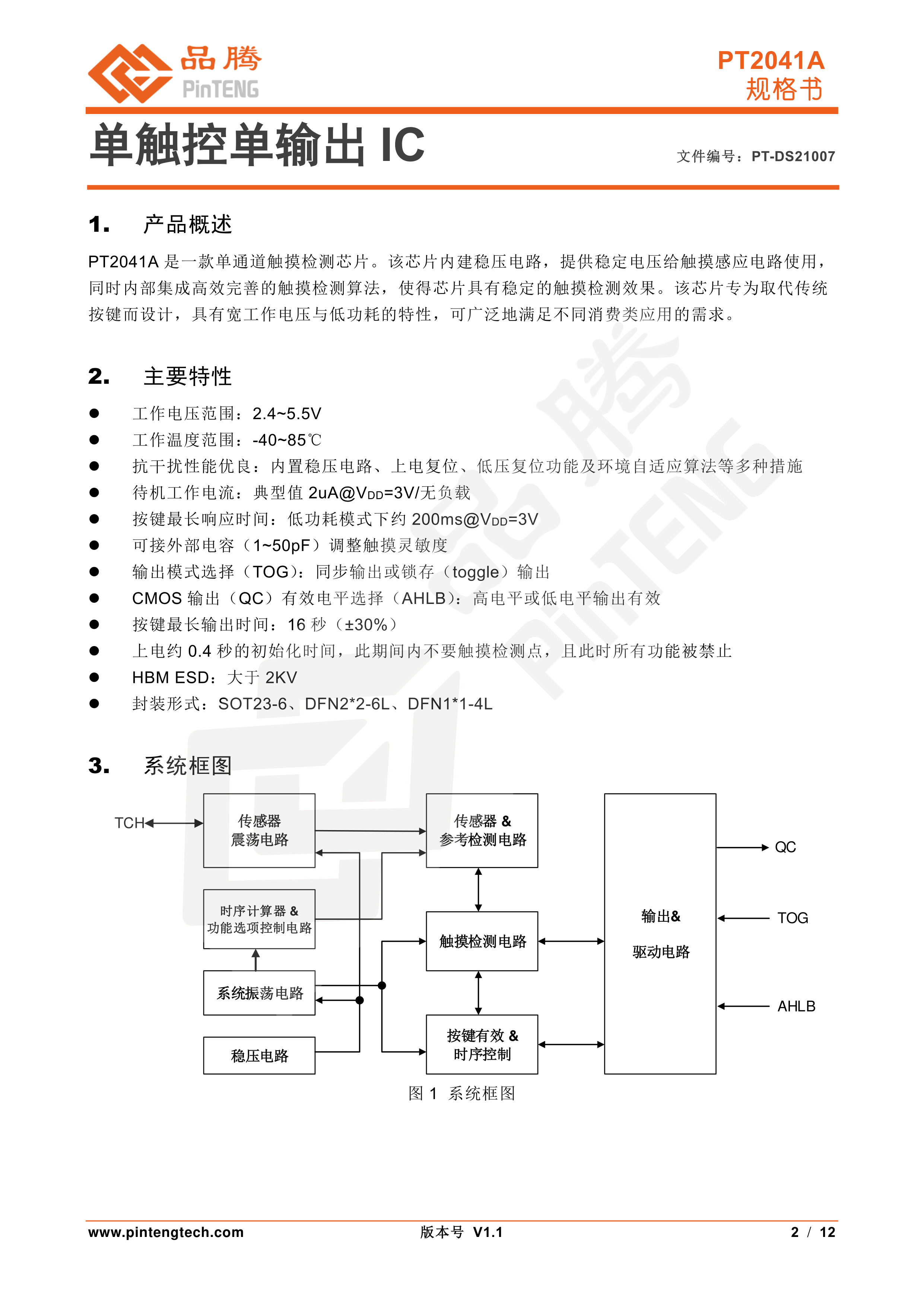
PT2041AT6数据手册SOT-23-6封装PinTENG(品腾)PDF规格书,中英文下载
- 2022-07-12 10:10:00
- ljy 原创
- 184
发表评论
页尾说明
|
移动访问
|