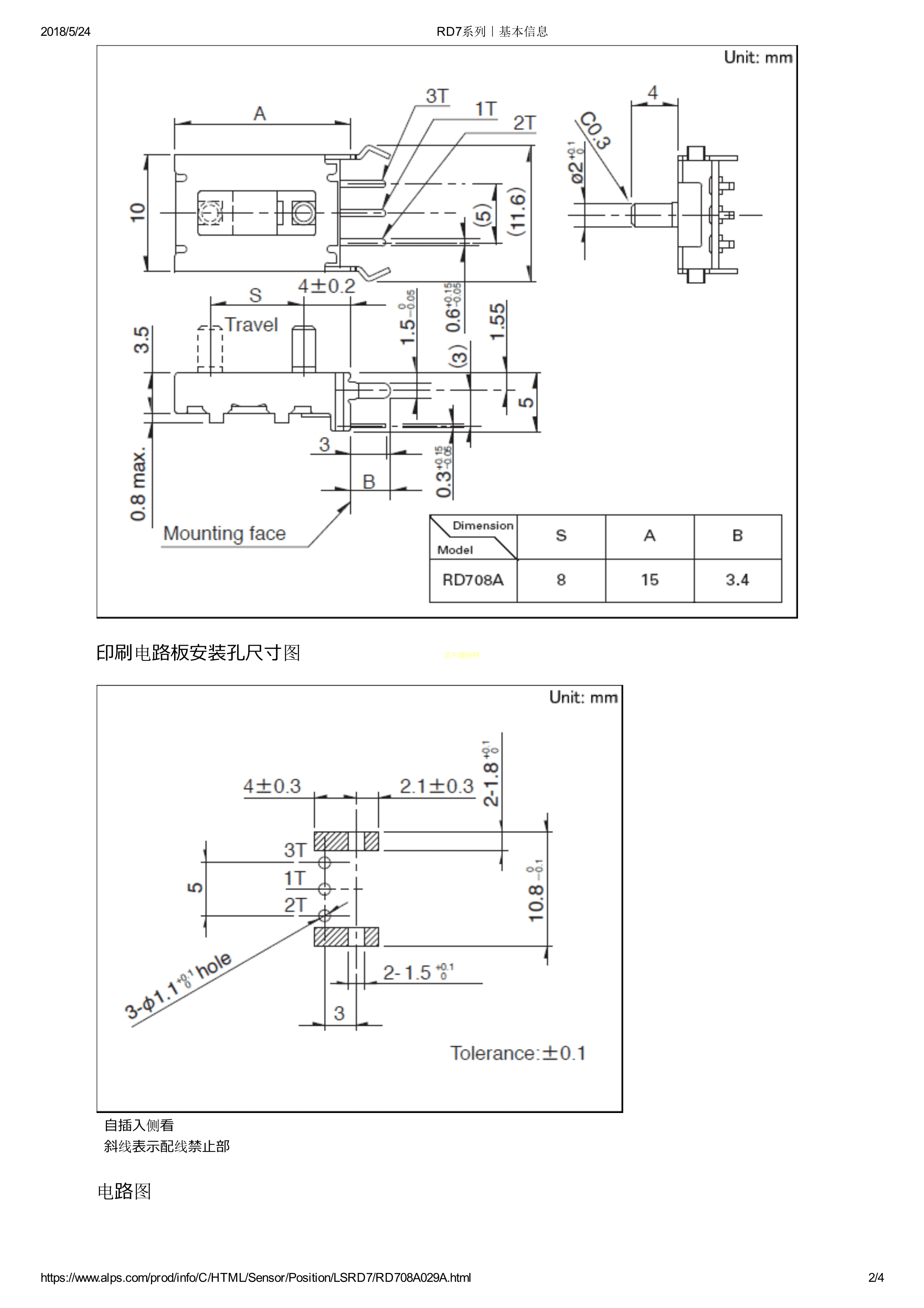
RD708A029A数据手册ThroughHole封装ALPSALPINE(阿尔卑斯阿尔派)PDF规格书,中英文下载
- 2022-08-25 04:25:00
- zxj 原创
- 33
发表评论
页尾说明
|
移动访问
|