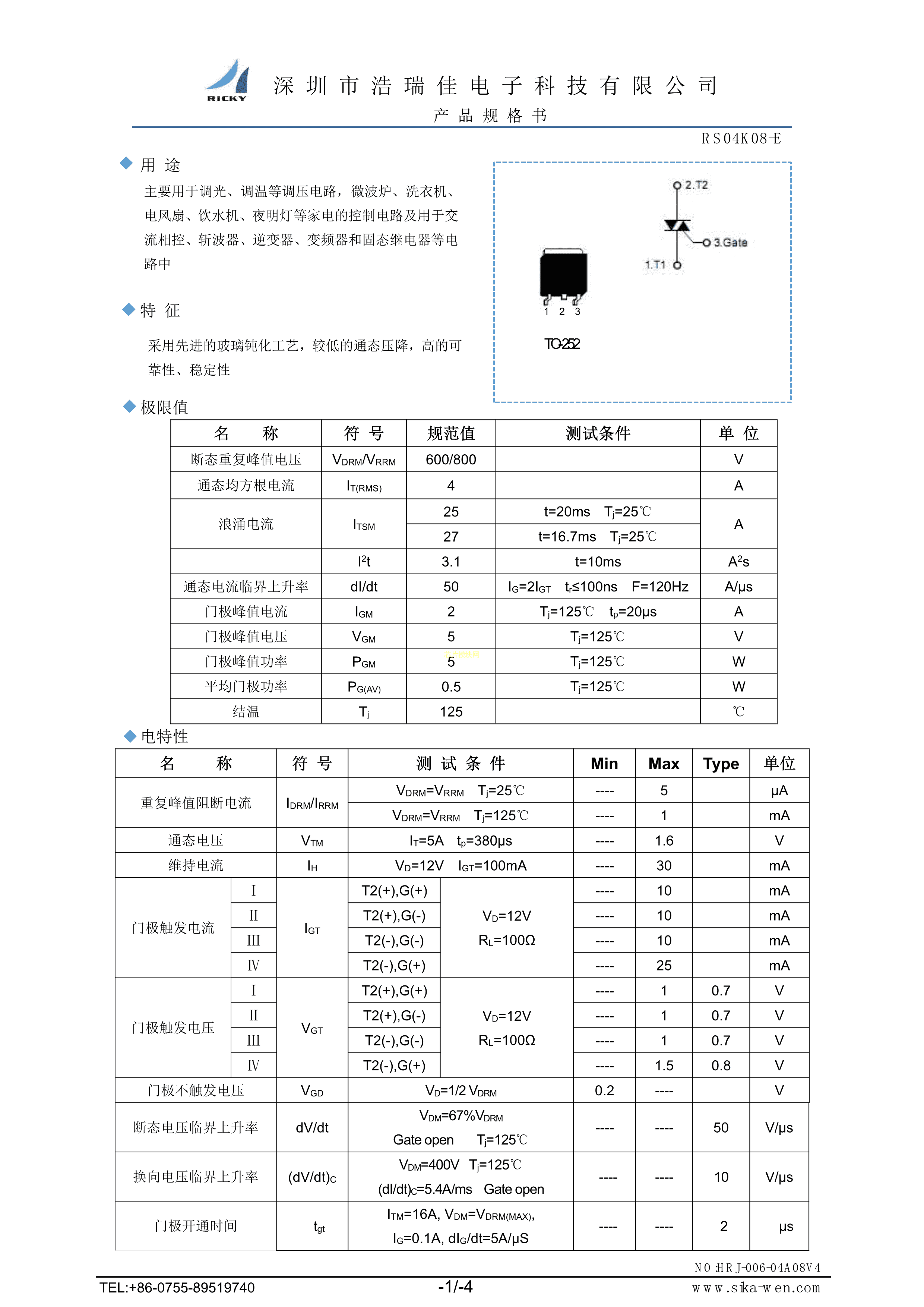
RS04K08-E数据手册TO-252封装RICKYPDF规格书,中英文下载
- 2022-07-21 03:41:00
- zxj 原创
- 9
发表评论
页尾说明
|
移动访问
|