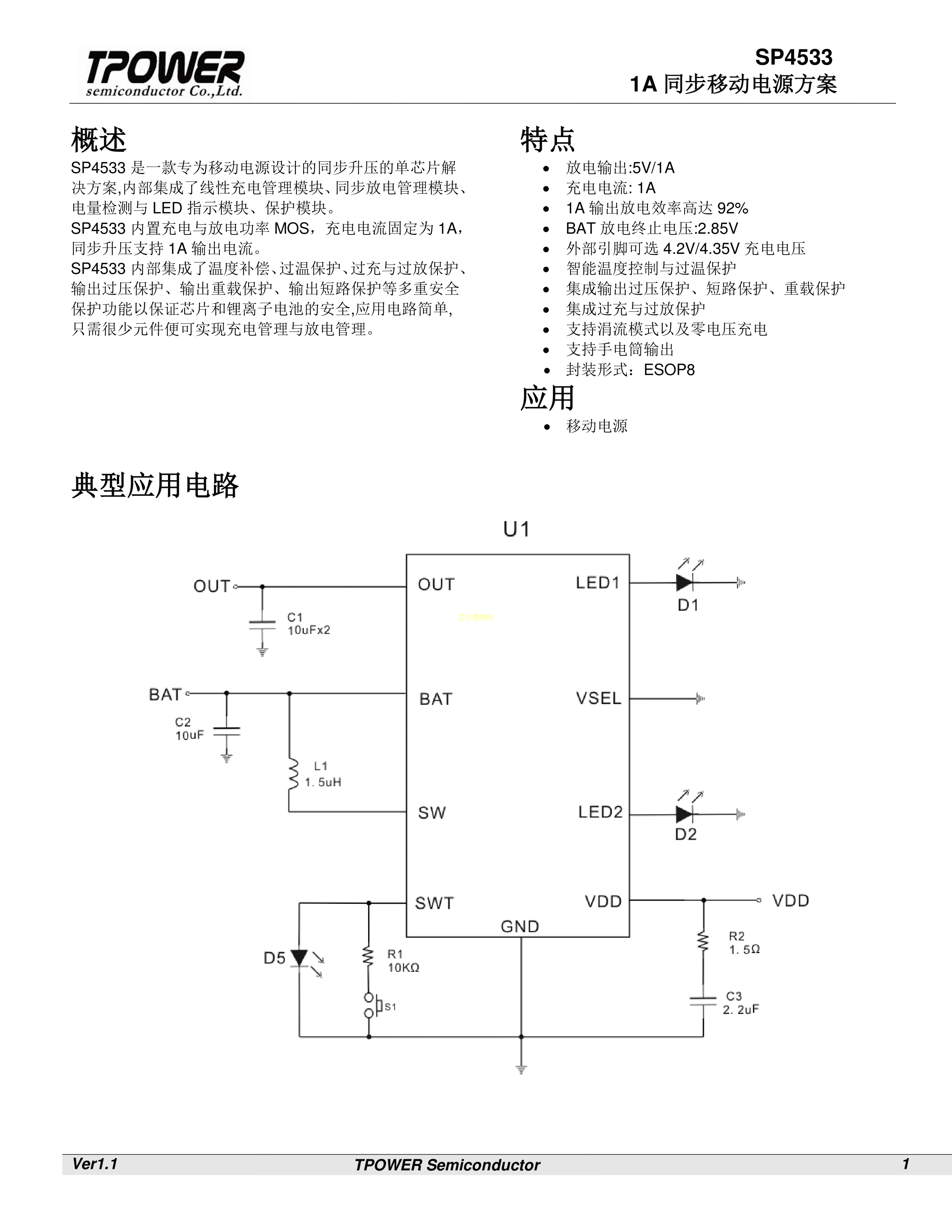
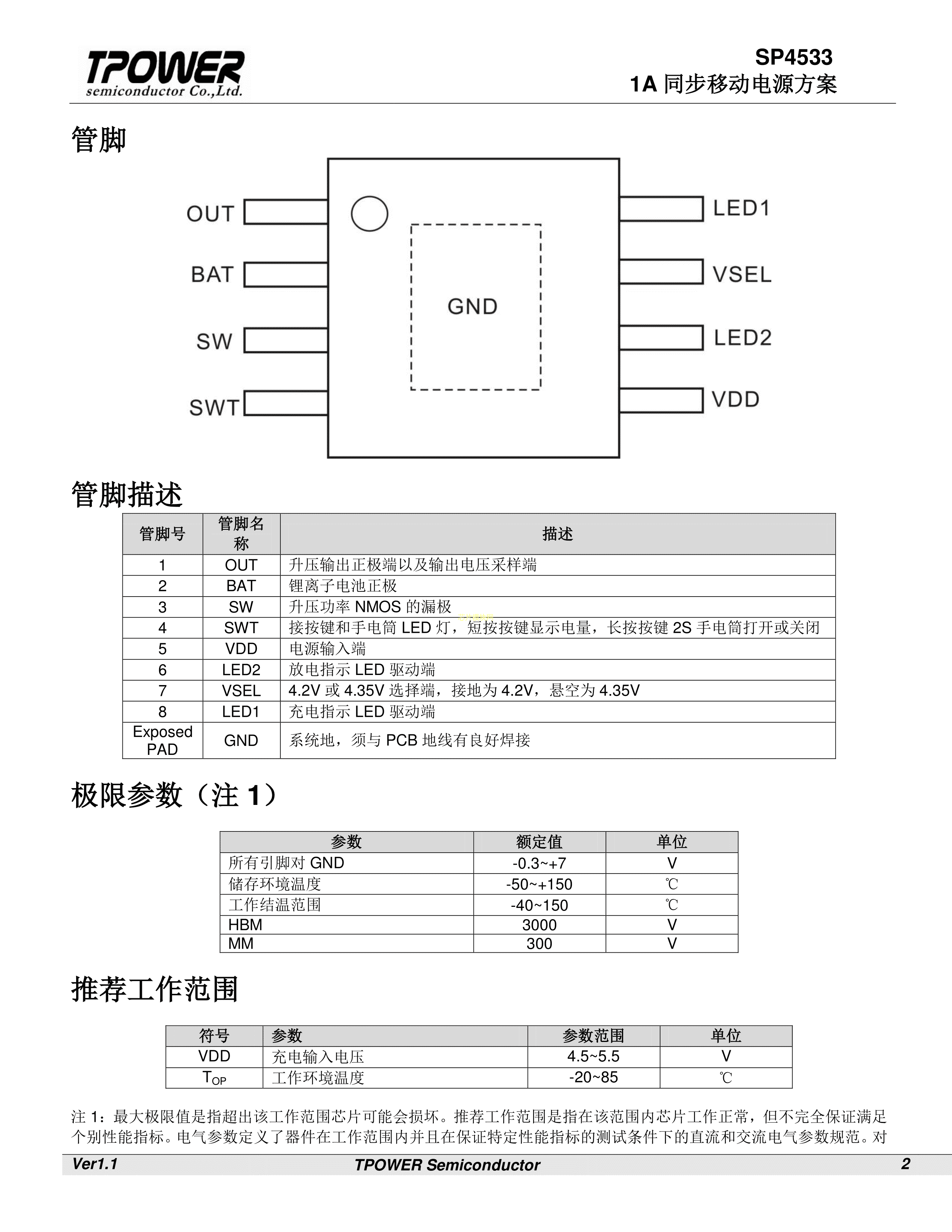
SP4533数据手册ESOP-8封装SKYPOWER(天源)PDF规格书,中英文下载
- 2022-08-02 11:17:00
- zxj 原创
- 170
发表评论
页尾说明
|
移动访问
|