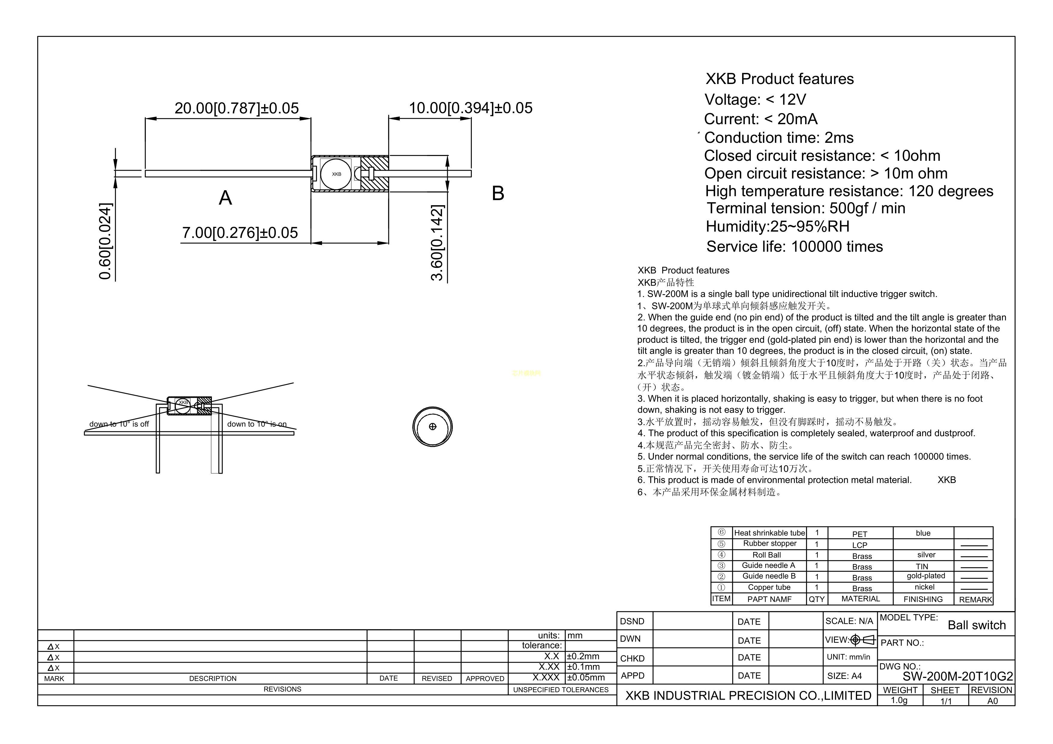
SW-200M-20T10G2数据手册-封装XKBConnectivity(中国星坤)PDF规格书,中英文下载
- 2022-08-26 13:12:00
- zxj 原创
- 30
发表评论
页尾说明
|
移动访问
|