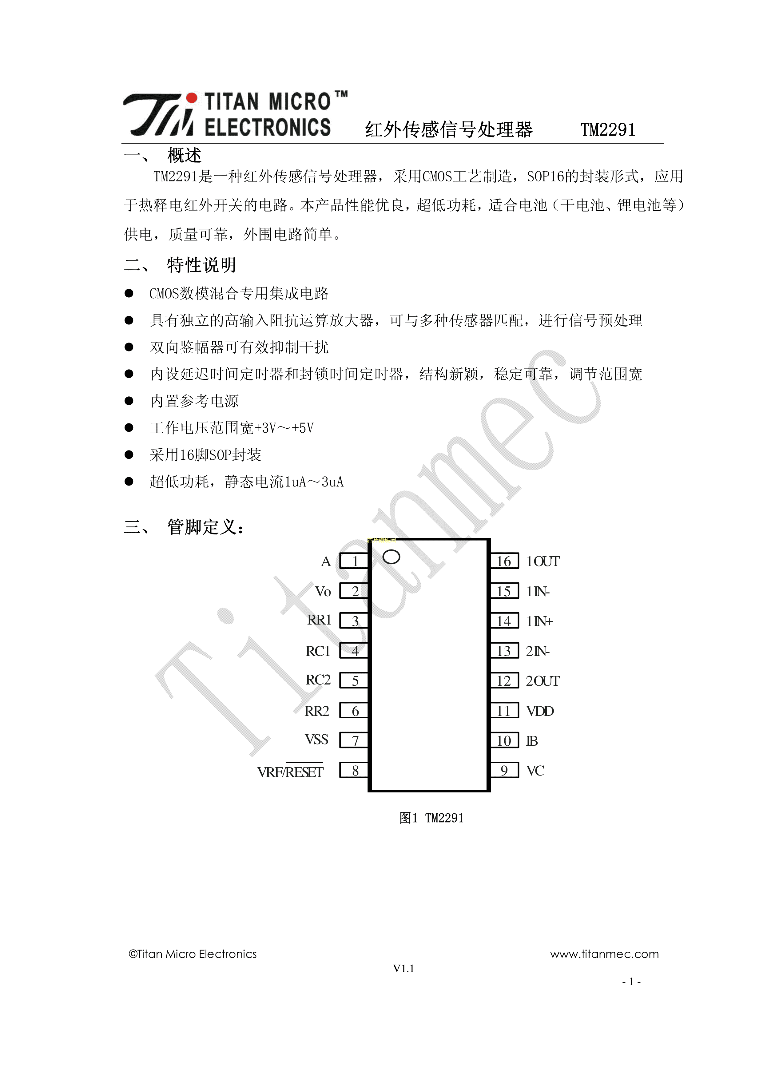
TM2291数据手册SOP-16_150mil封装TM(天微)PDF规格书,中英文下载
- 2022-07-30 00:46:00
- zxj 原创
- 45
发表评论
页尾说明
|
移动访问
|