登录
注册
积分充值
简
繁
En
首页
芯片数据手册
芯片技术论坛
芯片应用
芯片模块商城
当前位置:
首页
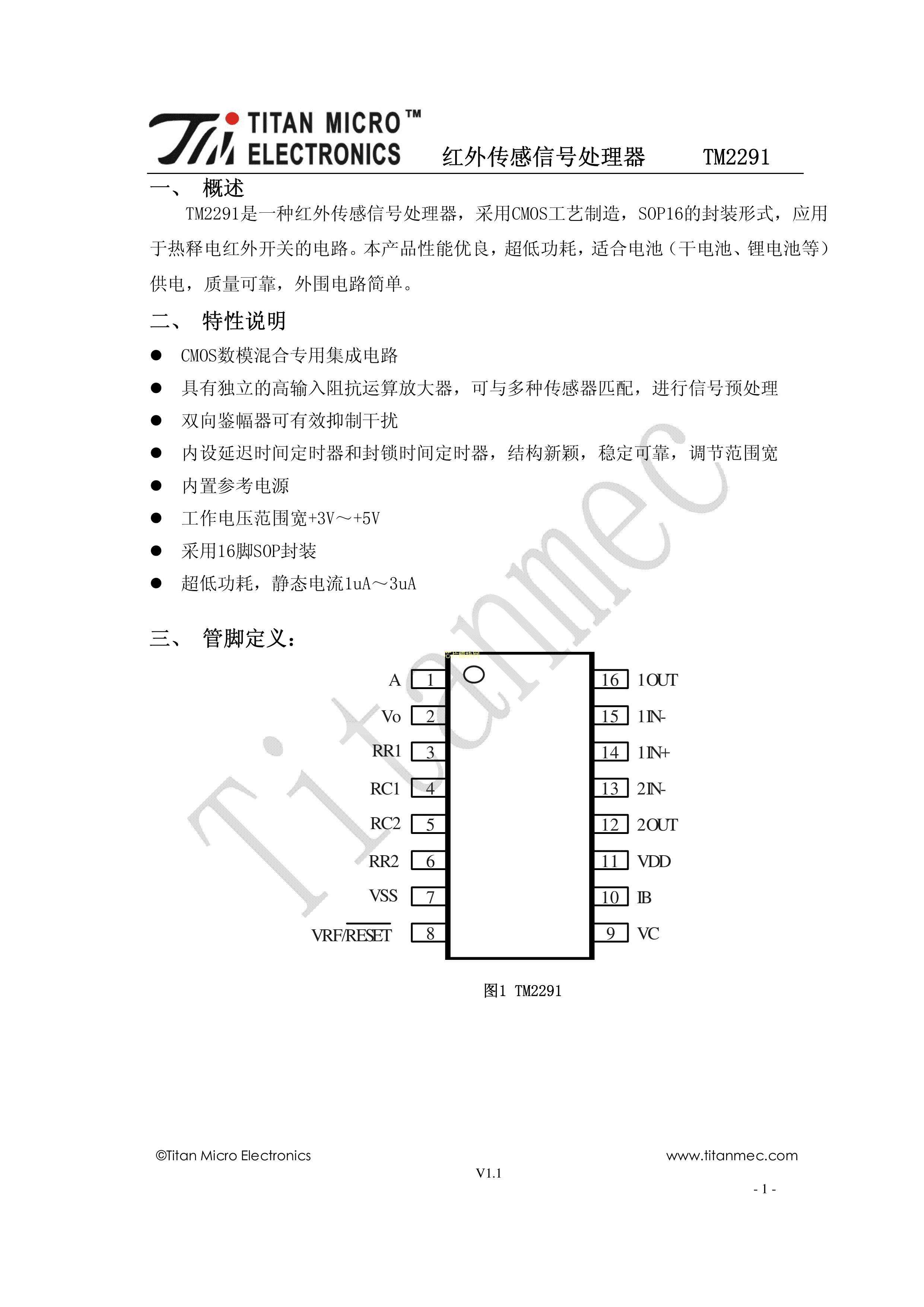
规格书
TM2291_V1.1PDF规格书,中英文下载
TM2291_V1.1PDF规格书,中英文下载
2022-08-28 02:39:00
zxj
原创
161
TM2291_V1.1.pdf
124
发表评论
称呼
邮箱
接收邮件提醒
内容
评论通过审核后显示。
页尾说明
移动访问