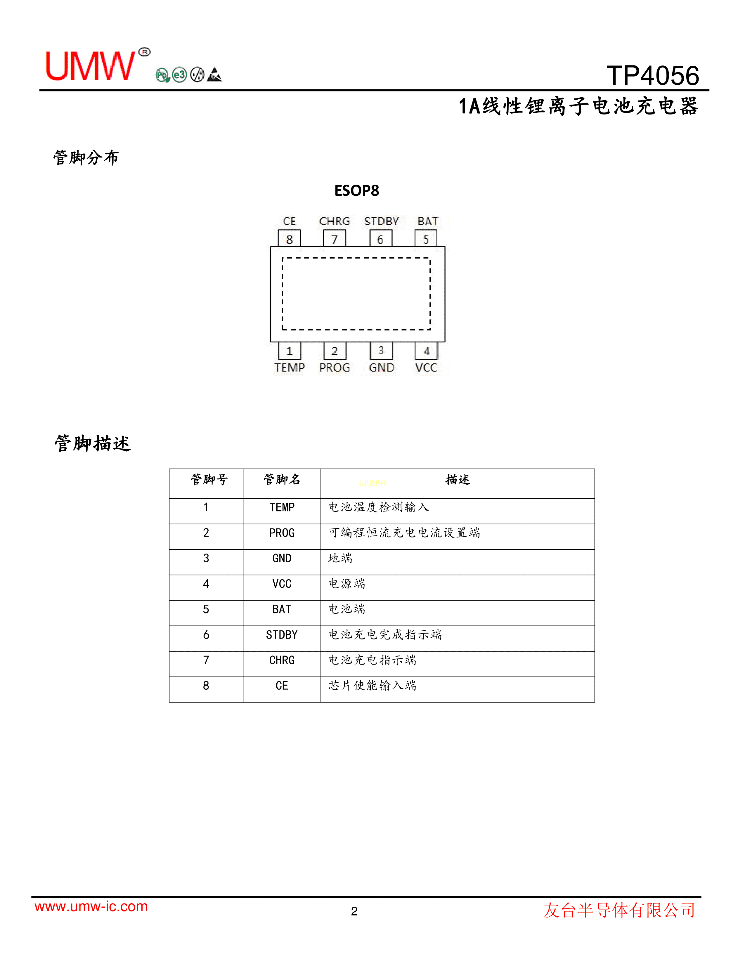
TP4056数据手册ESOP-8封装UMW(友台半导体)PDF规格书,中英文下载
- 2022-08-02 16:05:00
- zxj 原创
- 332
发表评论
页尾说明
|
移动访问
|