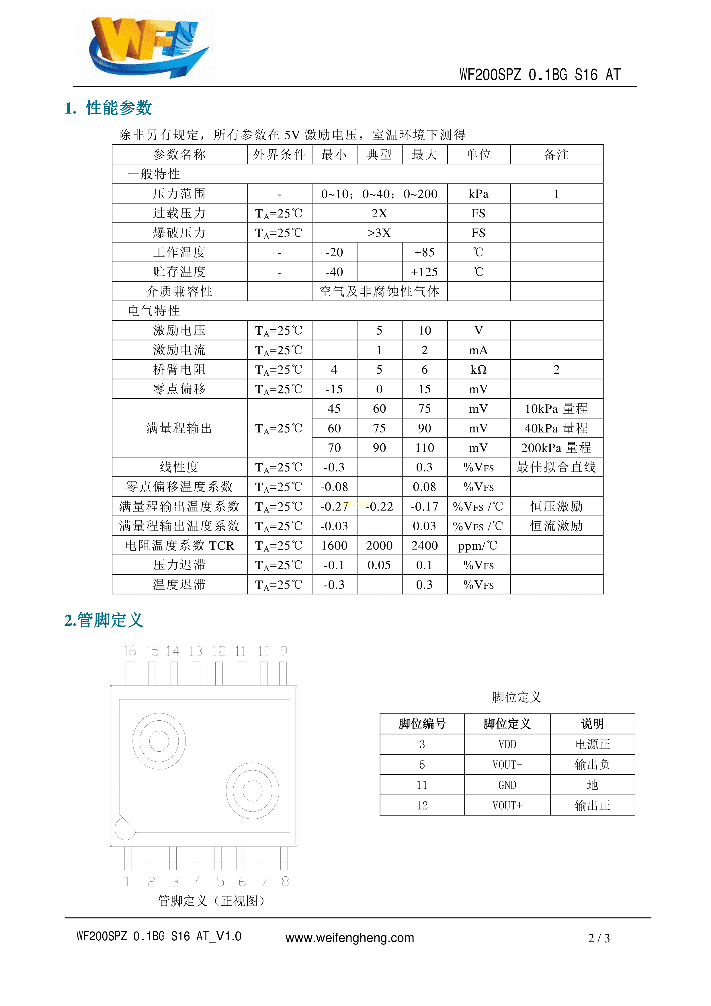
WF200SPZ0.1BGS16AT数据手册SMD封装WF(伟烽)PDF规格书,中英文下载
- 2022-08-25 19:47:00
- zxj 原创
- 52
发表评论
页尾说明
|
移动访问
|